EasyManua.ls Logo

Roca BCH-10 - Wiring Diagrams; BCH-7 Wiring Diagram

Roca BCH-10
48 pages
Print Icon
To Next Page IconTo Next Page
To Next Page IconTo Next Page
To Previous Page IconTo Previous Page
To Previous Page IconTo Previous Page
Loading...
28
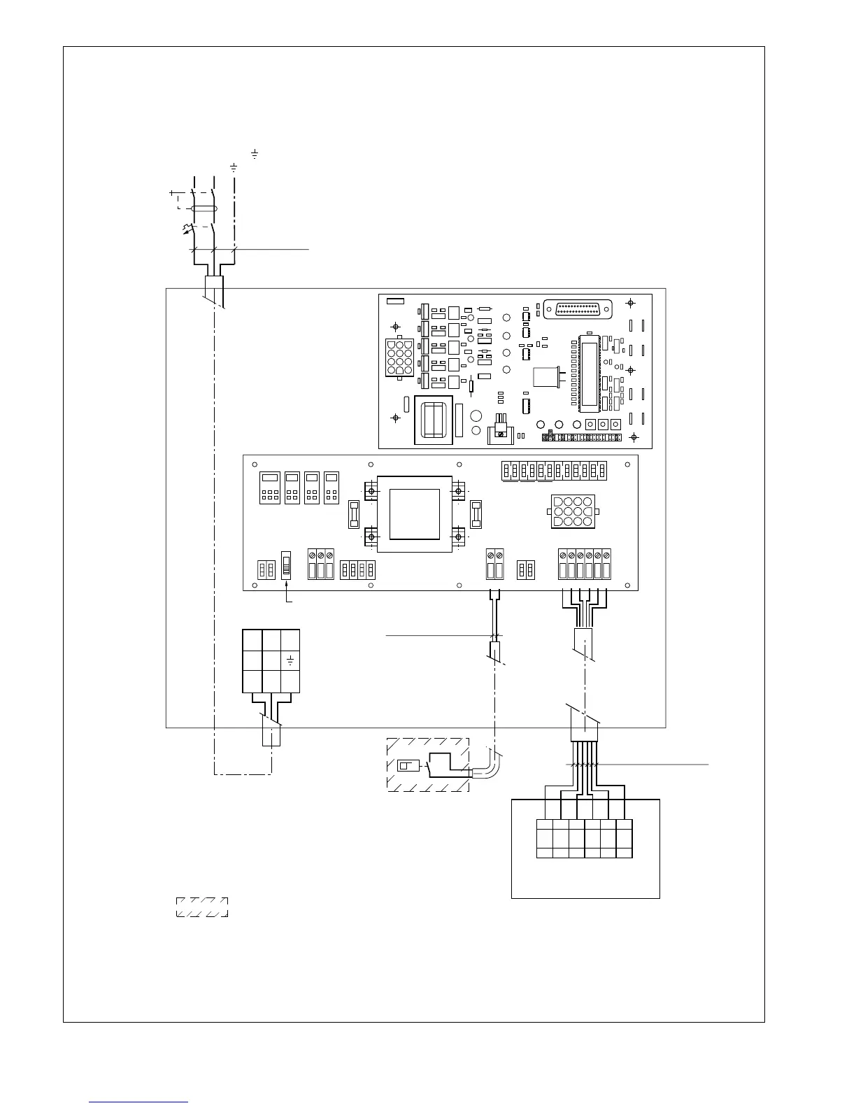
Wiring diagram
BCH - 7, 230.1.50
I-1310/j
INPUT Y
INPUT G
INPUT W
INPUT O
STANDBY FILTERS RESET
TEST
RESET FILTERS
JP19
JP20
JP21
NTC
2
5
30
60
90
14
10
6
4
2
0
-2
-4
-5
-10
-15
-20
006791024
BCH/BCV-97/A
3
2
1
6 8
4
9
5
7
12
10
11
B4
LIQUIDO
LIQUID
B3
DESHIELO
DEFROST
B2
DESCARGA
DISCHARGE
B1
EXTERIOR
OUT DOOR
BCH/AVO
24V AMBIENT
THERMOSTAT
OWYGR B
SWITCH
ROBWYG
AMBIENT
THERMOSTAT
240V
24V
60VA
220V
0
0
125NN
23 N21
BB1
AIR FLOW
CONTROL
NL
220V
240V
Cod. 6791003
2A
F1
3
2
1
6
8
4
9
5
7
12
10
11
K4
INTERNAL
HEATER
DUCT
HEATER
K5 K1 K15
4A
F2
B2B1
72B 73 74 75 76 77 78 79
*
L1 N
AIR FLOW CONTROL
**
230V, 1 ~, 50 Hz,
L1 N
Q 2
32 A
Q 1
30 m A
CROSS
SECTION 4 mm
2
F14
MINIMUM SECTION 1.5 mm
2
1 mm
2
Cu
RECOMMENDED SECTION
WHEN AN ELECTRIC HEATER IS INSTALLED, FIT AN F14 AIR FLOW
CONTROL
ATTENTION: PUT THE 230V. SWITCH IN THE POSITION
CORRESPONDING TO THE NOMINAL VOLTAGE OF THE NERWORK
*
**
THE COMPONENTS INCLUDED IN THESE BOXES
ARE NOT SUPPLIED BY THE MANUFACTURER.

Related product manuals