EasyManua.ls Logo

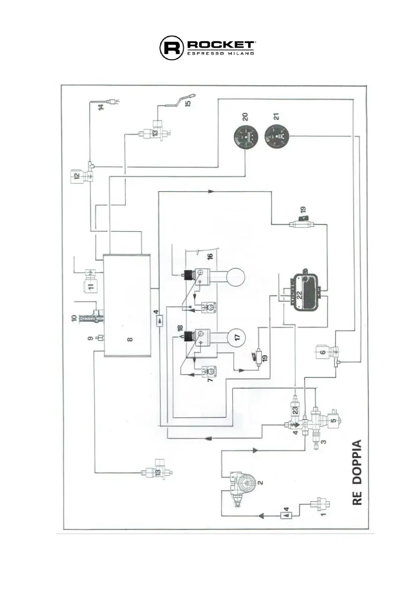
Rocket RE DOPPIA Series - Hydraulic System Diagram

Rocket RE DOPPIA Series
30 pages
Print Icon
To Next Page IconTo Next Page
To Next Page IconTo Next Page
To Previous Page IconTo Previous Page
To Previous Page IconTo Previous Page
Loading...
_____________________________________________________________________________________________
© Rocket Milano s.r.l. - RE DOPPIA series. User Manual Ed. 01.2019. Specifications subject to change without notice. Page 28
HYDRAULIC DIAGRAM

Related product manuals