EasyManua.ls Logo

Roger PR301 - Page 16

Roger PR301
18 pages
Print Icon
To Next Page IconTo Next Page
To Next Page IconTo Next Page
To Previous Page IconTo Previous Page
To Previous Page IconTo Previous Page
Loading...
PR_036UK.cdr
PR MASTER
PC computer
UT-2
POWER
MASTER
SLAVE
GND
POWER
SUPPLY
B
GND
GND
GND
A
B
A
SUPPLY
SUPPLY ZONE B
Control panel supply zone
SUPPLY ZONE E
SUPPLY ZONE D
SUPPLY ZONE C
SUPPLY
SUPPLY
SUPPLY
SUPPLY
SUPPLY
SUPPLY
SUPPLY
B
A
B
A
B
A
B
A
B
A
B
A
B
A
B
A
B
A
B
A
B
A
B
A
B
GND
A
B
GND
1
7
4
*
2
8
5
0
3
9
6
#
1
7
4
*
2
8
5
0
3
9
6
#
1
7
4
*
2
8
5
0
3
9
6
#
1
7
4
*
2
8
5
0
3
9
6
#
1
7
4
*
2
8
5
0
3
9
6
#
1
7
4
*
2
8
5
0
3
9
6
#
1
7
4
*
2
8
5
0
3
9
6
#
1
7
4
*
2
8
5
0
3
9
6
#
1
7
4
*
2
8
5
0
3
9
6
#
1
7
4
*
2
8
5
0
3
9
6
#
1
7
4
*
2
8
5
0
3
9
6
#
1
7
4
*
2
8
5
0
3
9
6
#
1
7
4
*
2
8
5
0
3
9
6
#
A
B
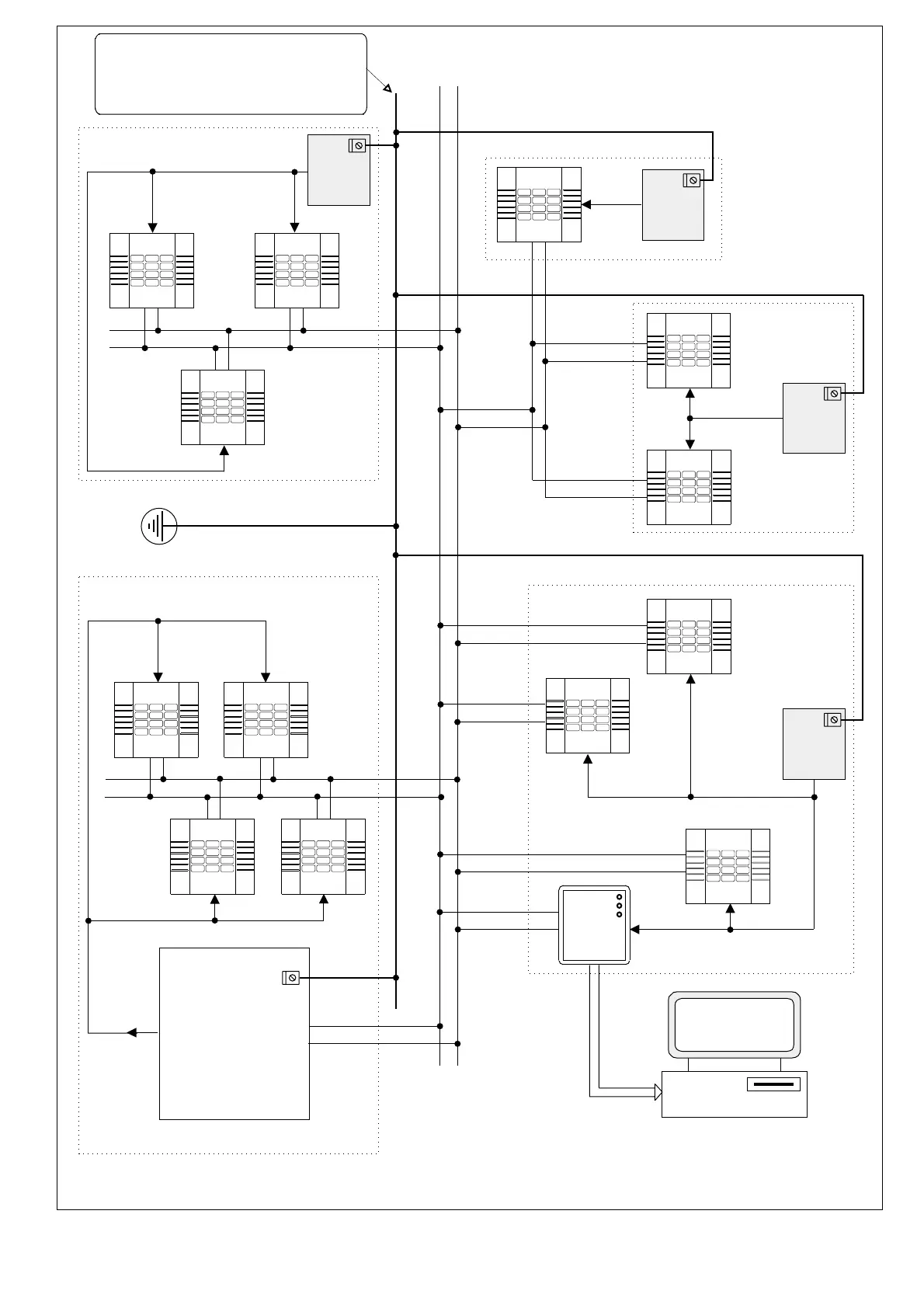
PR system communication bus - max. length 1000m.
Twisted pair of wires without shielding are preffered.
Shielded cabels can only be used where strong
electric interferences exists.
EARTH
Access system Control Panel
CPR8 or CPR32
GND
A
B
SUPPLY
POWER
SUPPLY
E
POWER
SUPPLY
C
POWER
SUPPLY
D
NOTE:
GND terminals of each supply units
must be connected with additional wire.
PR access control system with 13 controllers, CPR control panel and
additional 4 power supply units.
On board 2A Power Supply

Related product manuals