EasyManua.ls Logo

Ropex RES-102 - Terminal Blocks

Ropex RES-102
8 pages
Print Icon
To Next Page IconTo Next Page
To Next Page IconTo Next Page
To Previous Page IconTo Previous Page
To Previous Page IconTo Previous Page
Loading...
Replacing RES-102/RES-420 Page 7
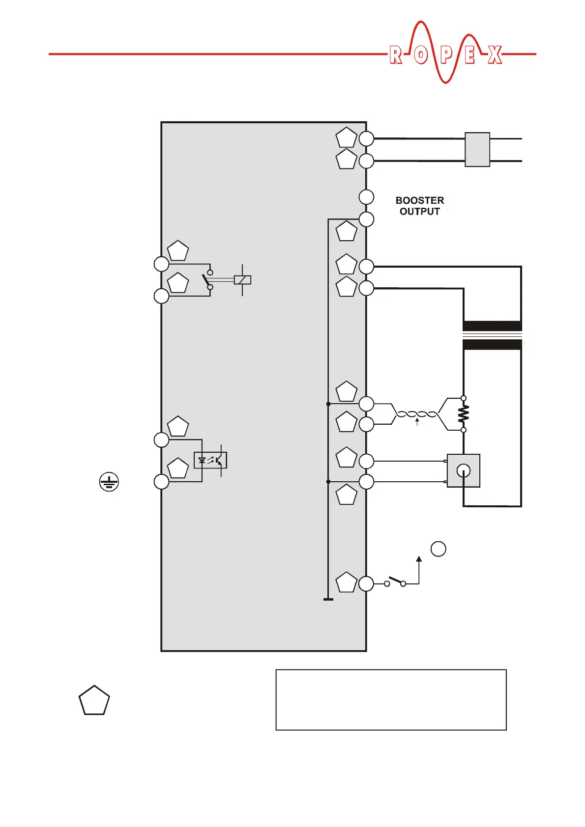
Wiring diagram of the RES-420 (new)
4
3
START (HEAT)
with 24VDC signal
GND
RES-420
(also with MOD 01)
0V (Internal ground)
Terminal 2
7
START (HEAT)
with contact
R
Impulse
transformer
LINE
8
10
9
11
12
13
15
14
Line filter LF-xx480
I
R
U
R
+
0V
1
2
Current transformer
PEX-W2
twisted
Heat-
sealing
band
Ground
for 24VDC signals.
Must be grounded
externally to prevent
electrostatic
charging!
0V
(Internnal ground)
No external
grounding allowed!
sec.
U
2
prim.
U
1
5
6
ALARM
OUTPUT
max. 50V/0.2A
Contact closed or
opened by ALARM
(see configuration)
20
12
11
19
N
L1
5
17
6
17
16
14
15
18
X
Terminal blocks
RES-102
Disconnect the ground wire connection (SL):
The ground wire connection (SL) of the RES-102
is not used for the RES-420. The RES-420 has a
plastic front cover.

Related product manuals