EasyManua.ls Logo

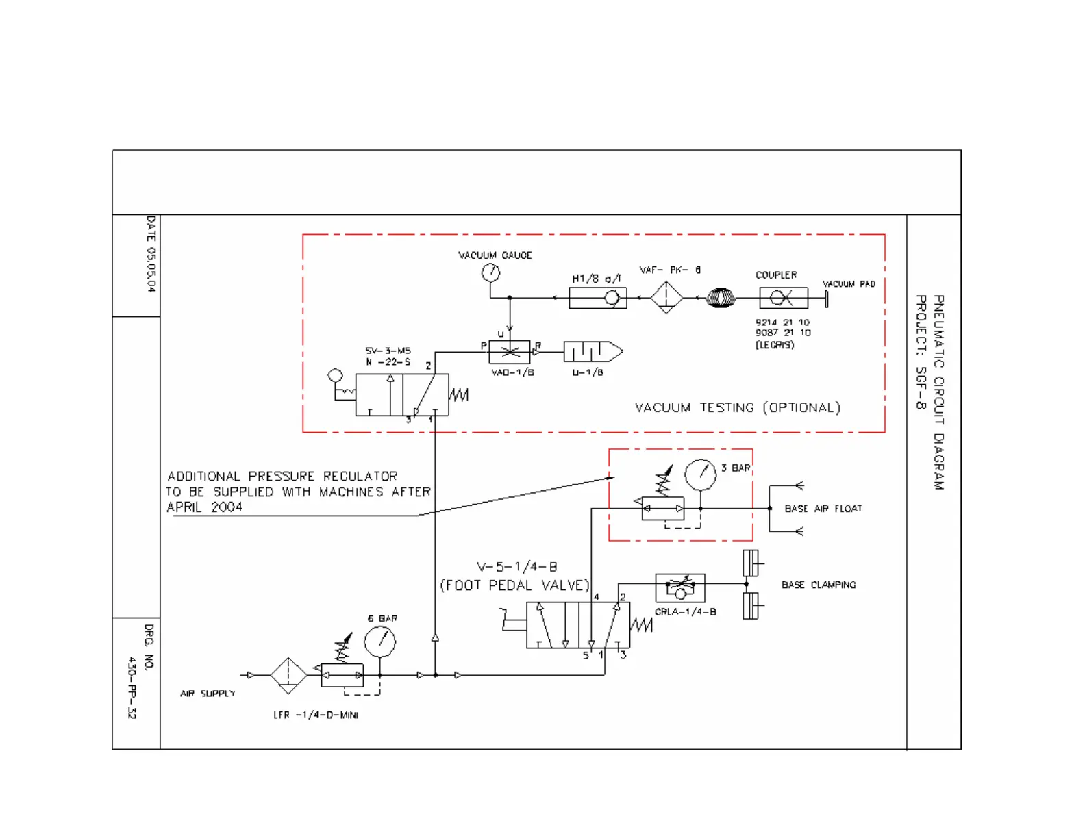
Rottler SGF8 - Chapter 9 Pneumatic Drawings

Default Icon
42 pages
Print Icon
To Next Page IconTo Next Page
To Next Page IconTo Next Page
To Previous Page IconTo Previous Page
To Previous Page IconTo Previous Page
Loading...
Machine Parts 10-1
SG8 Manual
Chapter 10 Pneumatic Drawings

Table of Contents

Related product manuals