EasyManua.ls Logo

ryan 554910A - Main Group-Lawnaire IV

ryan 554910A
34 pages
Print Icon
To Next Page IconTo Next Page
To Next Page IconTo Next Page
To Previous Page IconTo Previous Page
To Previous Page IconTo Previous Page
Loading...
20
Lawnaire
IV & V
with EST
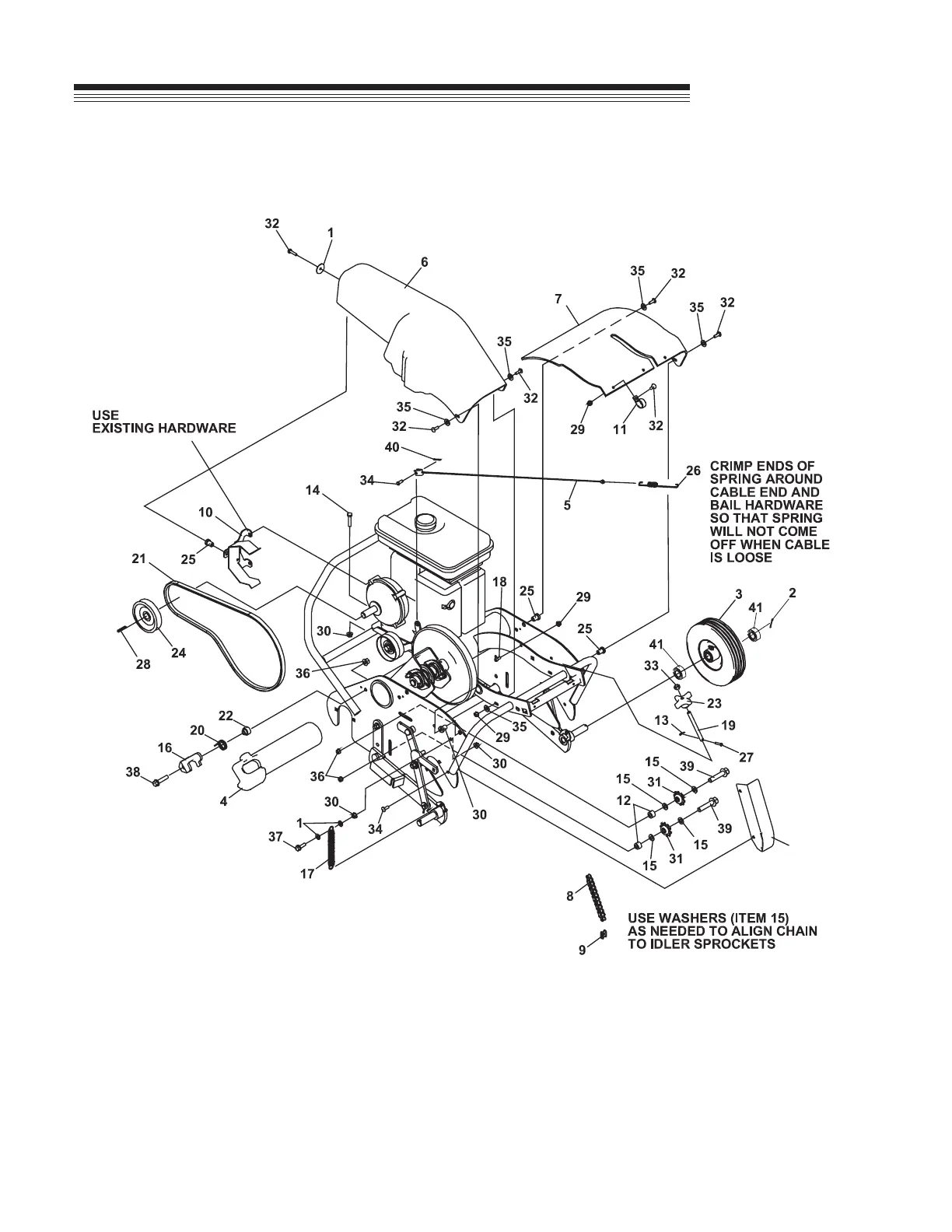
FIGURE 2
MAIN GROUP-LAWNAIRE IV
42

Related product manuals