EasyManua.ls Logo

Sabre 15538 Hydro - REPAIR; POWER TRAIN LINKAGE SYSTEM REMOVAL;INSTALLATION-K55

Default Icon
191 pages
Print Icon
To Next Page IconTo Next Page
To Next Page IconTo Next Page
To Previous Page IconTo Previous Page
To Previous Page IconTo Previous Page
Loading...
GEAR POWER TRAIN REPAIR
5 - 22 2/12/97
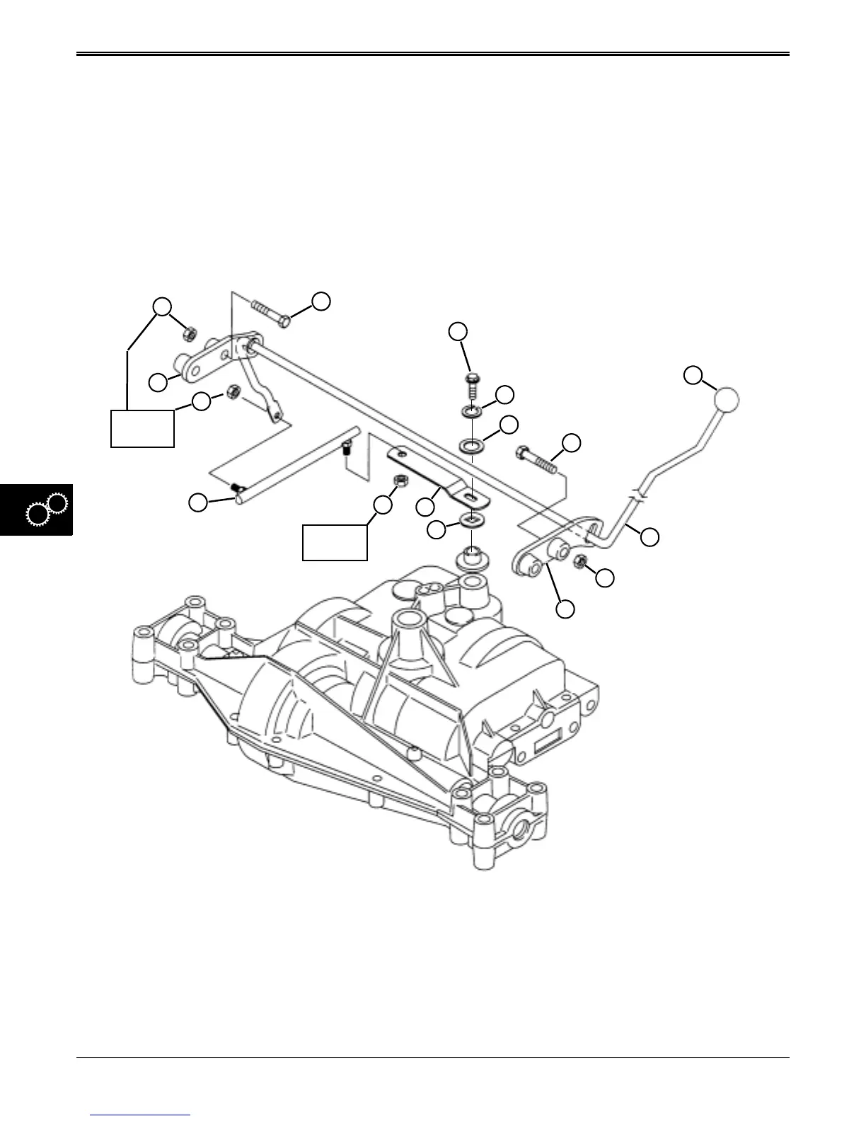
SHIFT LINKAGE REMOVAL &
INSTALLATION
1. Remove battery.
2. Block rear of tractor off ground. Remove left drive
wheel.
3. Remove shift knob (G).
4. Remove lock nuts (M and O) to remove shift link
(N).
5. Remove lock nuts (A and I) and cap screws (B and
F).
ALock Nut GShifter Knob MLock Nut
BCap Screw HShift Rod NShift Link
CShift Lever Cap Screw ILock Nut OLock Nut
DLock Washer JRight-Hand Bracket PLeft-Hand Bracket
EWasher KSpecial Square-Hole Washer
FCap Screw LShift Lever
A
B
C
D
E
N
M
L
K
F
I
H
G
16 Nm
(12 lb-ft.)
15 Nm
(11 lb-ft.)
15 Nm
(11 lb-ft.)
J
15 Nm
(11 lb-ft.)
P
O
6. Adjust mounting brackets (J and P) so shift rod (H)
can be removed from the left side of the frame. You
will have to snake the shift rod from the tractor.
7. Remove cap screw (C) to remove shift lever (L) and
washers (D, E, and K).
8. Replace necessary components.
9. Install shift linkage in reverse order of removal.
10. Tighten shift lever cap screw and lock nuts to
specifications shown.
www.servicemanualall.com

Table of Contents

Related product manuals