EasyManua.ls Logo

Sabre 15538 Hydro - Page 92

Default Icon
191 pages
Print Icon
To Next Page IconTo Next Page
To Next Page IconTo Next Page
To Previous Page IconTo Previous Page
To Previous Page IconTo Previous Page
Loading...
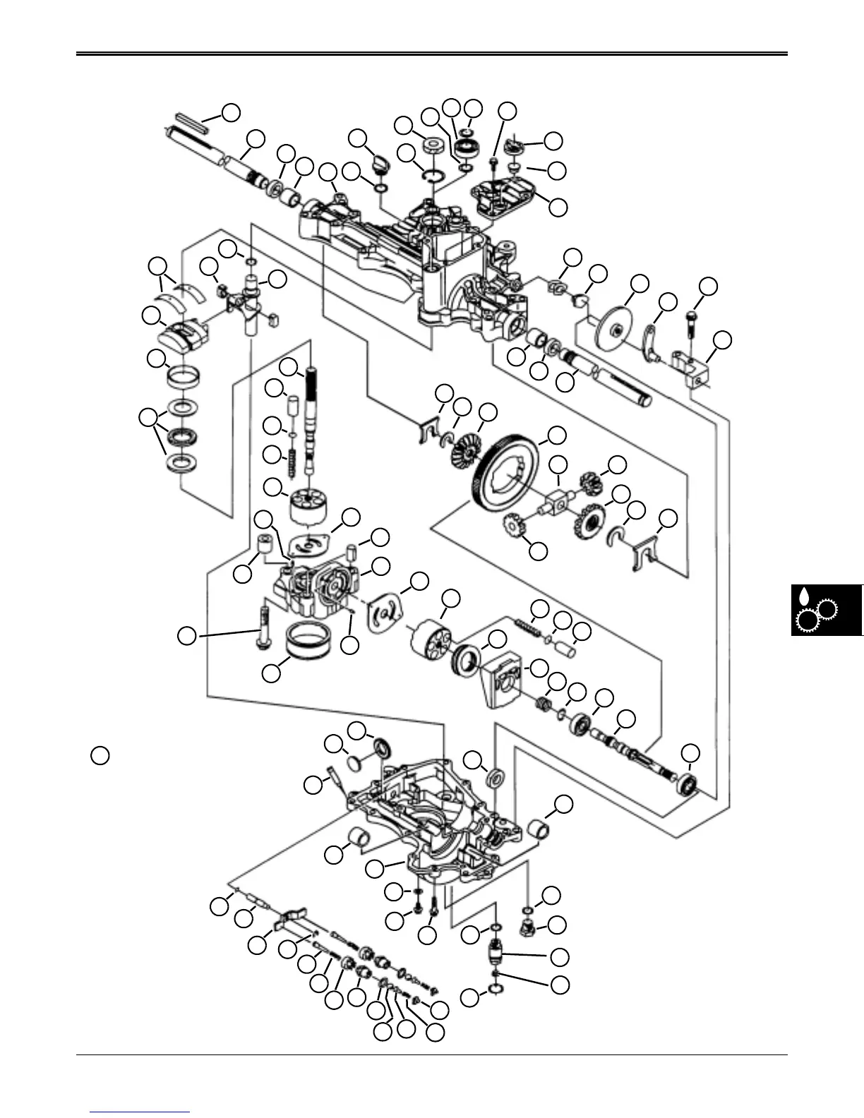
COMPONENT LOCATION HYDROSTATIC POWER TRAIN
2/12/97 6 - 7
COMPONENT LOCATIONK55
19 N•m
1
2
3
4
5
6
7
8
9
10
12
11
13
14
15
16
17
18
19
20
21
22
23
24
25
26
27
39
40
41
42
43
44
45
46
47
48
49
50
51
53
54
55
56
52
57
58
59
60
62
63
64
65
66
67
37
36
35
34
33
32
31
30
29
71
70
69
68
84
86
85
87
88
89
90
91
92
96
93
95
94
81
78
77
76
75
82
83
28
61
74
27 Nm (20 lb-ft.)
57 N•m
(42 lb-ft.)
77
79
80
New Case: 31 Nm (278 lb-in.)
Used Case: 27 Nm (243 lb-in.)
24 Nm (217 lb-in.)
8 Nm (72 lb-in.)
24 Nm (217 lb-in.)
40 N•m
(30 lb-ft.)
38
72
73
(168 lb-in.)
www.servicemanualall.com

Table of Contents

Related product manuals