EasyManua.ls Logo

Samson XML Powered - XML610 & XML910 Block Diagram

Samson XML Powered
32 pages
Print Icon
To Next Page IconTo Next Page
To Next Page IconTo Next Page
To Previous Page IconTo Previous Page
To Previous Page IconTo Previous Page
Loading...
XML POWERED MIXERS
30
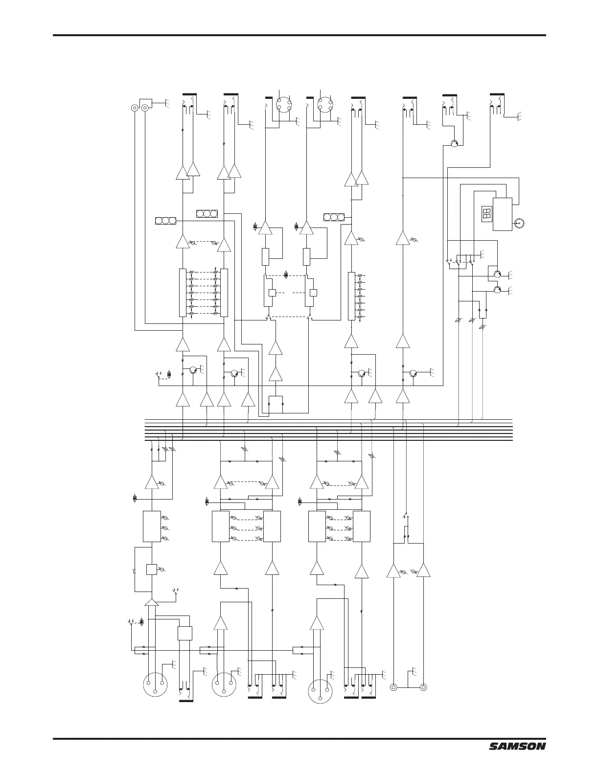
XML610 & XML910 Block Diagram
3-Stage EQ
3-Stage EQ
3-Stage EQ
3- Stage EQ
3-Stage EQ
(CH1-4)
[-20dBu]
[CH/5/6/7/8]
[0dBu]
[0dBu]
[-20dBu]
CH INPUT
(CH9/10.11/12)
FOOT SW
(EFFECT ON/OFF)
HA
PHANTOM +48V
PAD
COMP
TH
LOW MID HIGH
BA
LEVEL
MONITOP
EFFECT
MAINL
MAIN R
MONITOR
EFFECT
MAIN L(NON-MUTE)
MAIN R(NON-MUTE)
MONITOR(NON-MUTE)
SUM
(CH1-8 MUTE)
SUM
0dBu
7-Stage GEQ
7-Stage GEQ
63Hz
160Hz
400Hz
1KHz
2.5KHz
6.4KHz
16KHz
BA
BA
-7.8dBu
REC OUT
[-10dBV]
L
R
HA
-0dBu
SUM
0dBu
LOW
MID
HIGH
BA
LEVEL
EFFECT
MONITOP
BA
SUM
SUM
SUM
SUM
0dBu
MAIN OUT
[+4dBu]
L
R
SUM
HA
SUM
0dBu
SUM
INV
MAIN L
MAIN(L+R)
AMP MOOE
ENHANCE
LIMITER
LIMITER
PA
PA
LIMITER
LIMITER
A:L/MAIN(L+R)
2
1
SPEAKERS
B:R/MONITOR
2
1
SUM
LOW
MID
HIGH
0dBu
0dBu
BA
LEVEL
EFFECT
MONITOP
SUM
SUM
SUM
SUM
INV
0dBu
BA
BA
MONITOR
7-Stage GEQ
63Hz
160Hz
400Hz
1KHz
2.5KHz
6.4KHz
16KHz
MONITOR OUT
[+4dBu]
EFFECT OUT
[+4dBu]
EFFECT RTN TO MAIN
EFFECT RTN TO MONITOR
PAD
-20dB
[-20/0dBu]
INPUT A
[-16/+10dBu]
MIC
CH INPUT
LINE L/MONO
LINE R
MIC
INPUT B
FCL
[0dBu]
[0dBu]
LINE L/MONO
LINE R
BA
INV
BA
INV
BA
INV
LOW
EXT
MUTE
EFX ON
DSP
SELECT
100 PRESET
+6dBu
+6dBu
+6dBu
0dBu
BA
(EFFECT ON/OFF)
(CH1-8 MUTE)
+6dBu
LEVEL
+6dBu
EFFECT
+6dBu
L
R
BA
BA
TAPE IN TO MONITOR
TAPE
[-7.8dBu]
MAIN R
MONITOR
CHINPUT
FCL2
FCL3
JK7-D
JK7-C
XML610/910 BLOCK DIAGRAM

Related product manuals