EasyManua.ls Logo

Samsung 732NPLUS - Page 61

Samsung 732NPLUS
83 pages
Print Icon
To Next Page IconTo Next Page
To Next Page IconTo Next Page
To Previous Page IconTo Previous Page
To Previous Page IconTo Previous Page
Loading...
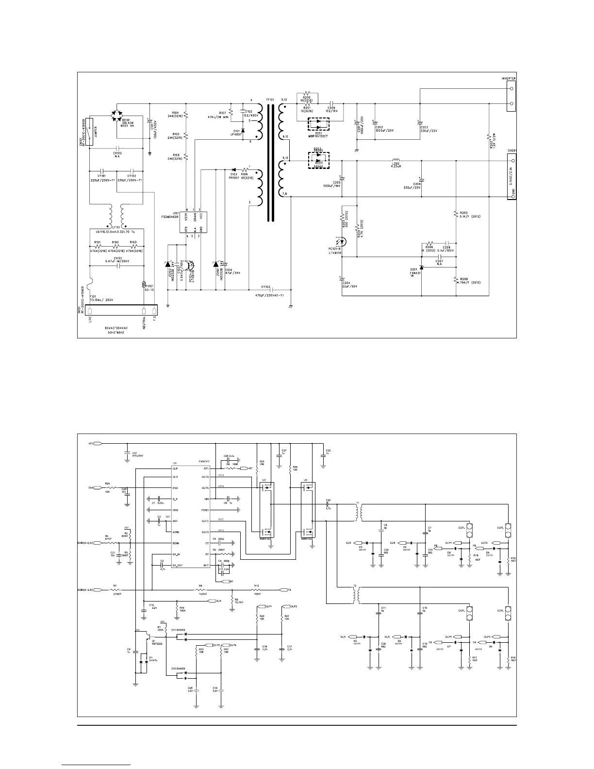
13 Circuit Descriptions
13-4
13-1-3 IP BOARD BLOCK(POWER) Parts
13-1-4 IP BOARD BLOCK( INVERTER ) Parts

Table of Contents

Related product manuals