EasyManua.ls Logo

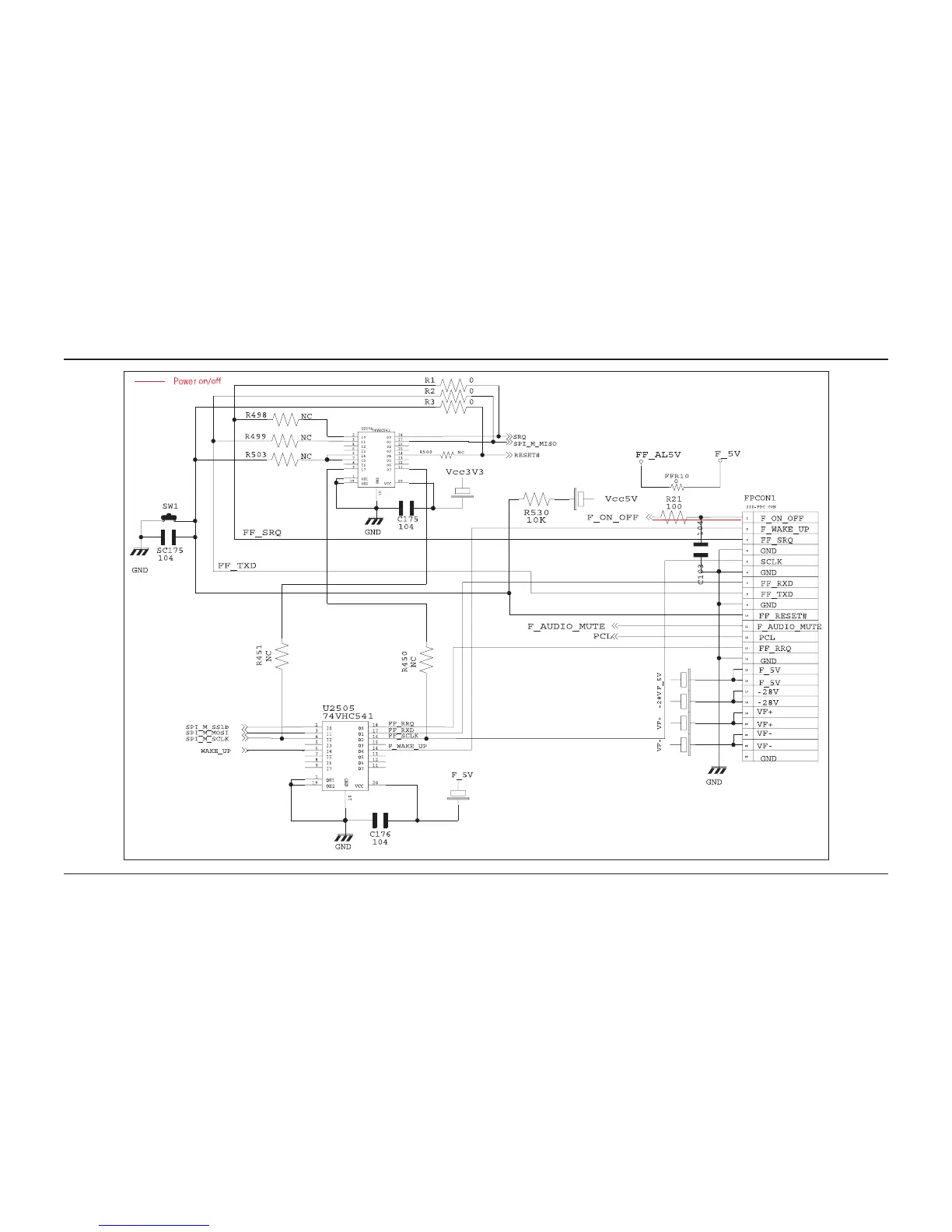
Samsung BD-P1400 - Front Interface (Main PCB)

Samsung BD-P1400
94 pages
Print Icon
To Next Page IconTo Next Page
To Next Page IconTo Next Page
To Previous Page IconTo Previous Page
To Previous Page IconTo Previous Page
Loading...
Schematic Diagrams
Samsung Electronics This Document can not be used without Samsung’s authorization 7-19
7-17 Front Interface (Main PCB)

Other manuals for Samsung BD-P1400

Related product manuals