EasyManua.ls Logo

Samsung CXC36SCB - 6. Electrical Wiring Diagram

Samsung CXC36SCB
118 pages
Print Icon
To Next Page IconTo Next Page
To Next Page IconTo Next Page
To Previous Page IconTo Previous Page
To Previous Page IconTo Previous Page
Loading...
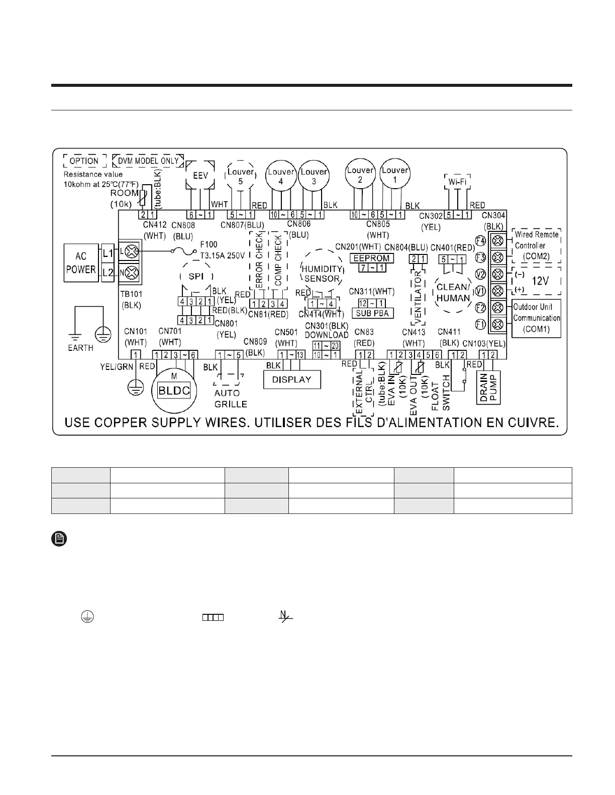
6. Electrical Wiring Diagram6. Electrical Wiring Diagram
SUB PBA Printed Circuit Board(SUB)
SPI
S-Plasma ion
ROOM(10K)
Thermistor ROOM OUT(10K)
M-BLDC
BLDC Motor
EEV
Electronic Expansion Valve
EVA-IN(10K)
Thermistor EVA IN(10K)
EXT_CONTROL
EXTERNAL_CONTROL
EVA-OUT(10K)
Thermistor EVA OUT(10K)
NOTE
This wiring diagram applies only to the Indoor unit.
Symbols show as follow :
blk: black, red: red, blu: blue, wht: white, yel: yellow, brn: brown, sky: skyblue: grn: green
For connection wiring indoor-outdoor transmission F1-F2, indoor-wired remote controller transmission F3-F4.
Protective earth(screw), : connector, : The wire quantity
Wind-Free 4Way Cassette

Related product manuals