EasyManua.ls Logo

Samsung IDH4400A - Refrigerant Cycle Diagram

Samsung IDH4400A
79 pages
Print Icon
To Next Page IconTo Next Page
To Next Page IconTo Next Page
To Previous Page IconTo Previous Page
To Previous Page IconTo Previous Page
Loading...
Samsung Electronics
7-2
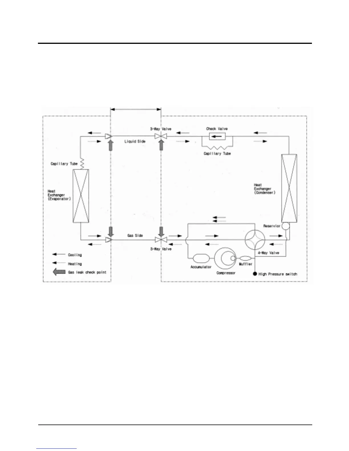
Indoor Unit Outdoor Unit
*Allowable pipe length : Max. 50m
*Allowable drop distance : Max. 25m
7-2 Refrigerant Cycle Diagram
5-00216A(1)-EV 5/19/01 10:07 AM Page 7-2

Related product manuals