EasyManua.ls Logo

Samsung IDH4400A - Page 77

Samsung IDH4400A
79 pages
Print Icon
To Next Page IconTo Next Page
To Next Page IconTo Next Page
To Previous Page IconTo Previous Page
To Previous Page IconTo Previous Page
Loading...
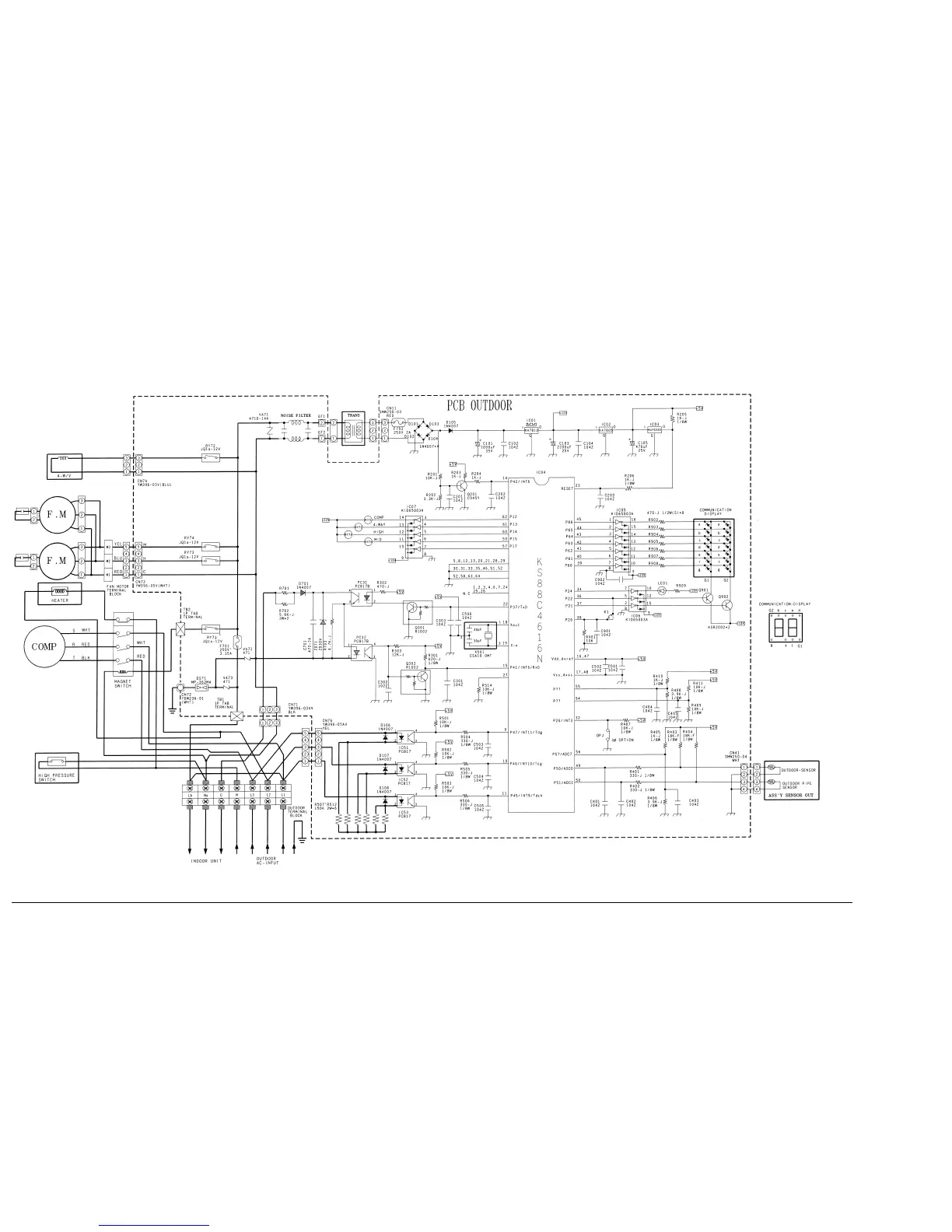
7-6-4 Outdoor Unit
7-14
Samsung Electronics

Related product manuals