EasyManua.ls Logo

Samsung MAX-445 - RF Amp; FOCUS ERROR Amp; Focus Servo System; Special Circuit Descriptions

Samsung MAX-445
67 pages
Print Icon
To Next Page IconTo Next Page
To Next Page IconTo Next Page
To Previous Page IconTo Previous Page
To Previous Page IconTo Previous Page
Loading...
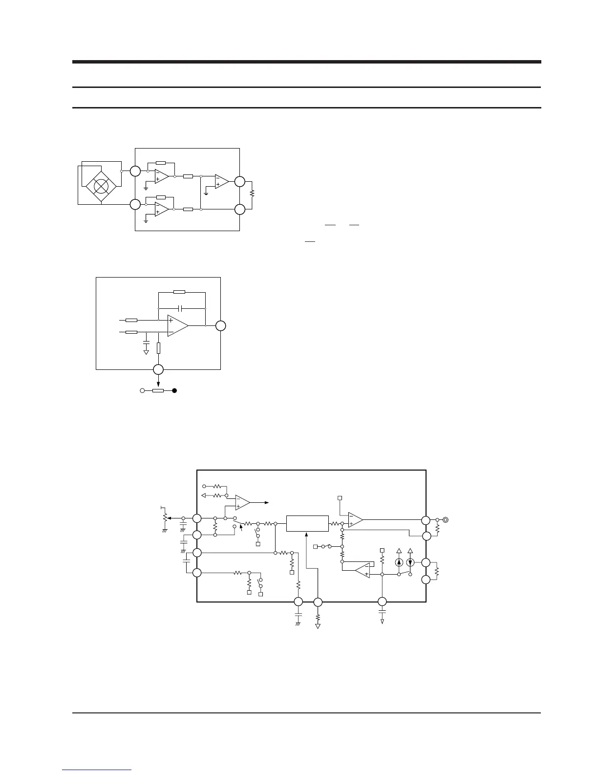
RF I-V Amp(1) and RF I-V Amp(2) currents are converted to voltage via
internal resistance of 58k½ from the current of PD1(A+C) and PD2(B+D):
These voltage are added by the RF summing amplifier.
The signal (A+B+C+D) is applied to RFO (No. 2 terminal).
RF output voltage is calculated as follows :
VFE = (R2/R1) x (V2-V1) = 5.4(V2-V1)
This FOCUS ERROR voltage is sent to FOCUS SERVO .
VRF = -R3 x (iPD1 + iPD2)
VRF = -R3 x (V1/R1 + V2/R2)
VRF = -R3 x ( + )
VRF = - x (V1 + V2)
10K 10K
V 1 V 2
10K
R3
74
Photo Detector
B
CA
D
PD1
PD2
58K
RF I-V AMP(1)
58K
10K
R2
RF I-V AMP(2)
V2
R1
10K
RF SUMMING
V1 AMP
RFO
RF
66
67
R3
75
5-1-1 RF Amp (KA9220) : NIC9220
5-1-2 FOCUS ERROR Amp(KA9220) : NIC9220
57
63
R2
174K
C1 25P
FE
FOCUS
ERROR
AMP
164K
FE Bias
GNDVcc
20K
32K
C2 25P
-(A+C)
-(B+D)
R1
V1 32K
5-1-3 FOCUS SERVO SYSTEM (KA9220) : NIC9220
When FS3 is ON, high frequency gain decreases (time constant set by pin17, pin19 ; capacitor is connected
to internal resistance).
The capacitor between pin 18 and GND sets the time constant to pass the low frequencies in PLAY mode.
The maximum frequency of the focus phase compensation is inversely proportional to the resistance connected to
pin 7. Focus search peak is about 1.1 Vp-p, and is inversely proportional to the resistance connected to pins 22,23
(if this resistance changes, the peak of track jump and sled kick change).
The inverted input of FZC comparator is set to 5.7% of the difference between Vcc and VC(pin69) {{5.7% x (Vcc-Vc)}.
Note : If the resistance connected to pin7 changes, the phase compensation peak of the focus tracking sled
servos change. (The 'op-amp' dynamic range and offset voltage also change.)
3.6K
20
21
47
48
60K
FZC
0.0022
20K
0.1UF
0.1UF
FDFCT
HFGD
EFR
FE2
470K
DFCT
FS4
20K 48K
58
60
62
46K
580K FS3
FSW
470K
130K
0.1UF
27
40K
6
PFSET
FS2
PHASE
COMPENSATION
92K
40K
10K
3
4.7UF
FSCH
FS1
50K
5.5U 11U
VREG
180K
ISET
FCE
120K
FOCUS
COIL
FSEO
FE1
61
Samsung Electronics
5-1
5-1 CD
FOCUS ERROR Amp amplifies the difference
between RF I-V Amp(1) output (A+C) and RF I-V Amp(2)
output(B+D).
These two signals are supplied to (-) and (+) input terminals of
FOCUS ERROR Amp. The FOCUS ERROR output is applied to
FE (Terminal No.57).
The FE output voltage of this low frequency component varies
according to {(A+C) - (B+D)}.
VFE is calculated as follows :
5. Special Circuit Descriptions

Related product manuals