EasyManua.ls Logo

Samsung MAX-445 - Tracking Sled Servo System

Samsung MAX-445
67 pages
Print Icon
To Next Page IconTo Next Page
To Next Page IconTo Next Page
To Previous Page IconTo Previous Page
To Previous Page IconTo Previous Page
Loading...
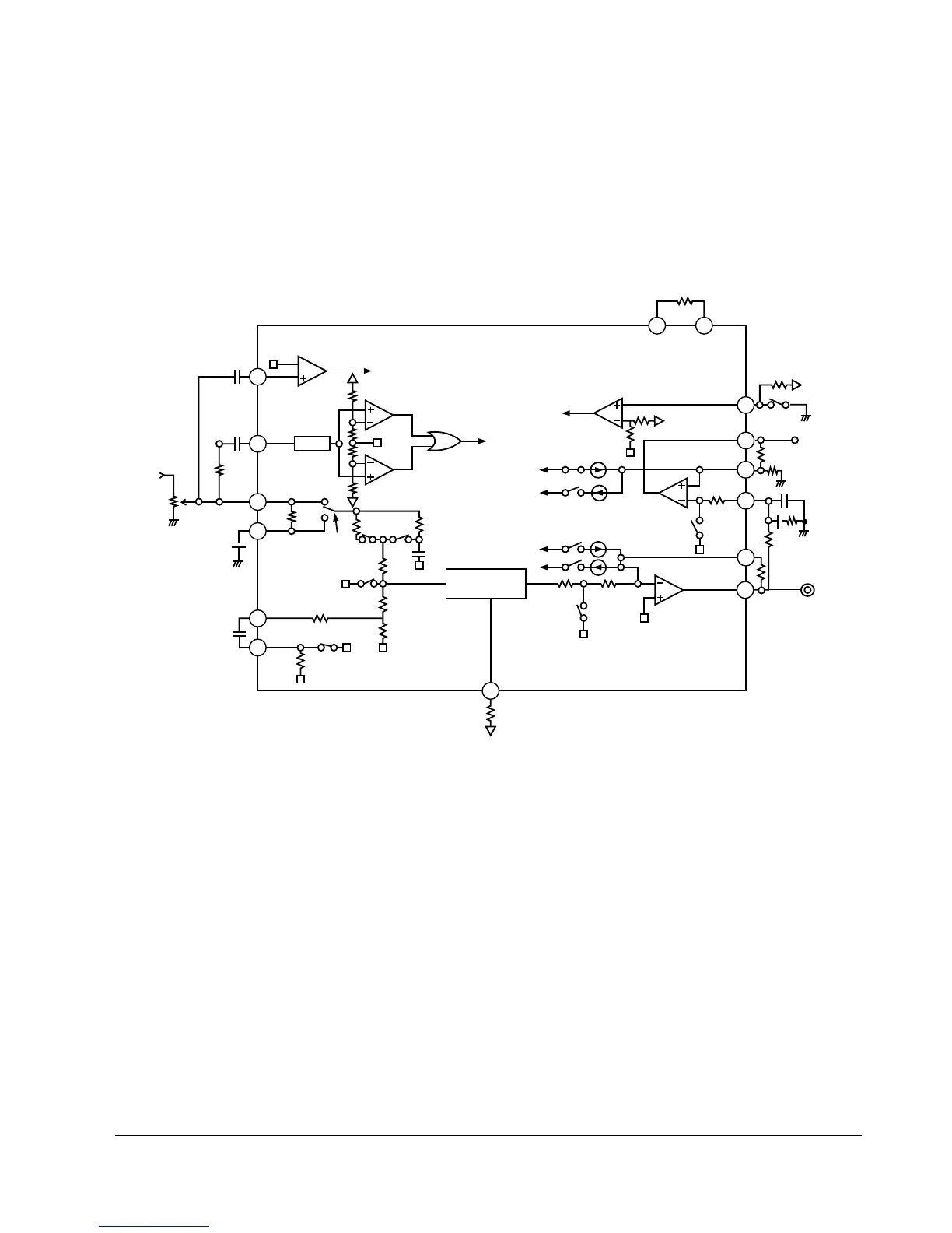
5-1-4 TRACKING SLED SERVO SYSTEM (KA9220) : NIC9220
The capacitor between pin 15 and 16 attenuates high frequencies when TG2 is off. The maximum frequency of
tracking phase compensation is inversely proportional to the resistance connected to pin 7 (about 1.2kHz at 470k).
The tracking jump (FWD and REV) is determined when TM3 and TM4 are ON, and the peak voltage induced from
the tracking coil is determined by both TM3 and TM4 currents and the feed back resistance of pin 47.
Track jump max voltage = TM3 (TM4) current x feedback resistance.
FWD or REV sled kick occurs when TM5 or TM6 is ON, and the peak voltage added to sled motor
(determined by TM5 or TM6 current and the feedback resistance of pin 41.)
Sled jump max. voltage = TM5(TM6) current x feedback resistance
Each SW current is determined by the resistance connected to pin 22 and 23.
When the resistance is about 150½,
TM3 or TM4 = 11µA,
TM5 or TM6 = 22µA,
This current is inversely proportional to the resistor, variable within a range of t 5 to 40 µA for TM3.
STOP is the ON/OFF detection signal for the limit SW (or the sled motor's innermost cirumference).
22 23
40
41
39
47
48
7
15
16
54
52
50
51
0.022UF
TZC
0.047UF
150K
BPF
1K
1K
TZC
100K
ATC
20K
TE 1
TE2
470K
100K
ATS
TDFC1
0.1UF
680K
66PF
10K
DFCT
0.1UF
RTG
20K
TGSW
470K
TG2
82K
110K
PHASE
COMPENSATION
S STOP
1K
100K
S STOP
SLED
SLEI
SLEN
10K
56K
100K
ISET VREG
180K
SLED
DRIVER
120K
100K
TKEO
TKEI
TM2
TM6
TM5
TM4
5.5U
TM3
5.5U
10K
90K
TM7
PFSET
470K
8
TRACKING
COIL
5-2 Samsung Electronics
Special Circuit Descriptions

Related product manuals