EasyManua.ls Logo

Samsung MAX-445 - CD Parts List

Samsung MAX-445
67 pages
Print Icon
To Next Page IconTo Next Page
To Next Page IconTo Next Page
To Previous Page IconTo Previous Page
To Previous Page IconTo Previous Page
Loading...
7-5Samsung Electronics
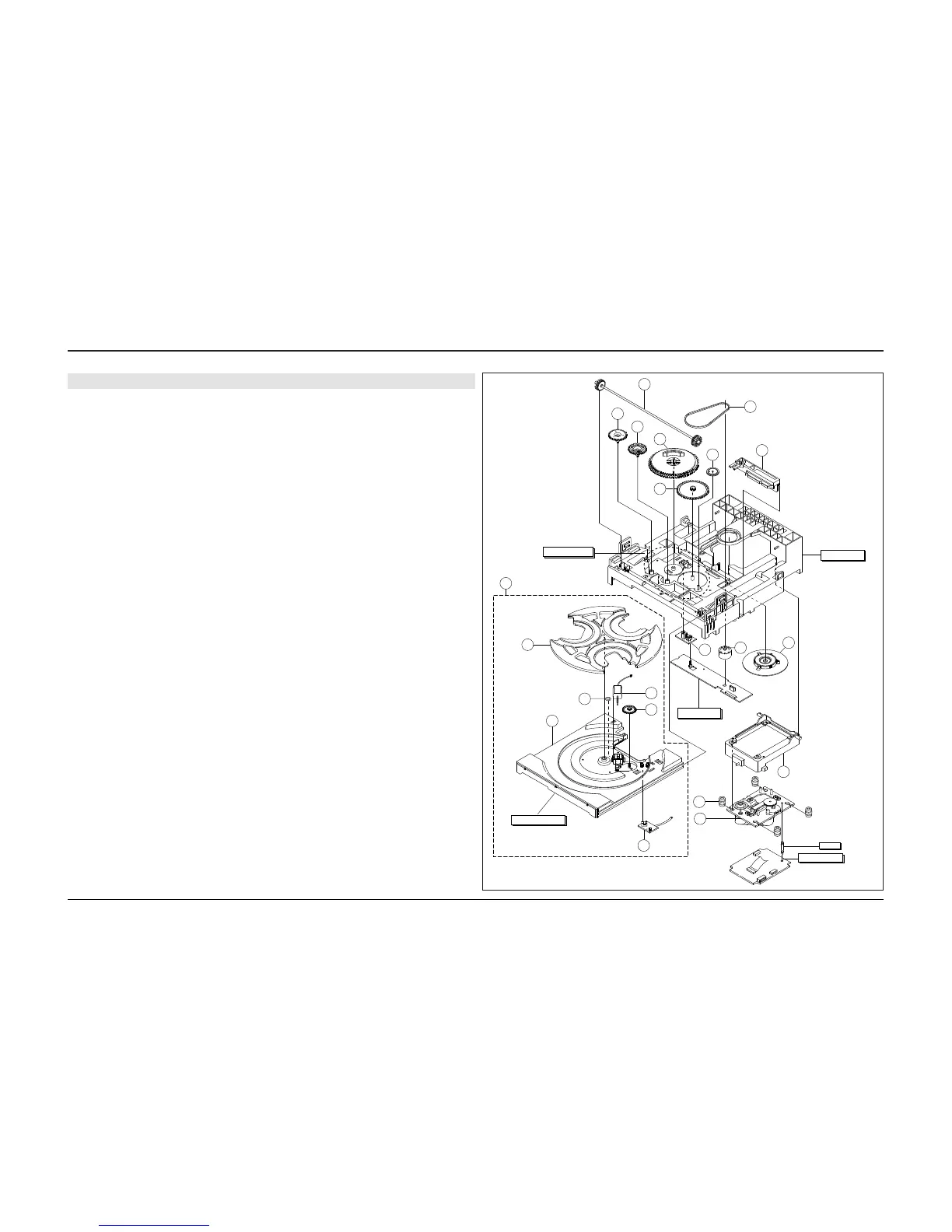
7-3-2 Exploded View
1313
88
22
77
66
55
44
99
33
11
1010
1717
1616
1212
1111
2020
1515
2121
1414
1919
CD SUB PCB
TRAY DISC ASS'Y
TRAY STOPPER
CD MAIN PCB
HOOK
BASE MAIN
1818
7-3 CD Pack
7-3-1 Parts List
No. New Code No. Description Specification Old Code No.
1
2
3
4
5
6
7
8
9
10
11
12
13
14
15
16
17
19
20
21
AH66-80022A
AH66-60034A
AH66-20186A
AH66-20187A
AH66-20188A
AH66-20189A
AH66-20190A
AH66-20191A
AH59-10097A
AH59-10098A
AH69-20044A
AH66-20193A
AH66-90056A
AH66-90055A
AH59-10099A
AH59-10100A
AH59-10101A
AH66-30086A
AH73-10016A
AJ59-20003F
SLIDER-CAM
BELT-LOAD
GEAR-PULLEY
GEAR-LOAD
GEAR-CAM
GEAR-TRAY
GEAR-CONVERT
GEAR-SYNCRO
ASSY-TRAY DISC
ASSY-WORM -MOTOR
CUSHION-MOTOR
GEAR-ROULETTE
TRAY-ROULETTE
TRAY-DISC
ASSY-PCB SENSOR
ASSY-TABLE CHUCK
ASSY-PULLEY-MOTOR
LEVER-LIFTER
RUBBER-CD
DECK-CDP
ABS HF-380 NTR
CR
POM (M90-44) WHT
POM (M90-44) BLK
POM (M90-44) WHT
POM (M90-44) BLK
POM (M90-44) WHT
ABS HF-380 NTR
CMS-300,ASS’Y-TRAY
CMS-300,ASS’Y-WORM
NBR BLK
POM (M90-44) BLK
ABS XR-401 BLK
-,ABS,-,BLK
CMS-300,ASS’Y SENSOR
CMS-300,ASS’Y CHUCK
CMS-300,ASS’Y CHUCK
ABS HF-380 BLK
IRR
DECK-CD *CMS-A30NG6
Exploded Views and Parts List

Related product manuals