EasyManua.ls Logo

Samsung MAX-445 - Page 57

Samsung MAX-445
67 pages
Print Icon
To Next Page IconTo Next Page
To Next Page IconTo Next Page
To Previous Page IconTo Previous Page
To Previous Page IconTo Previous Page
Loading...
68
69
37
36
9
8
70
76
75
73
72
2
4
3
5
80
78
67
66
26 32 33
7 19 206564636261
16
17
22
23
31
30
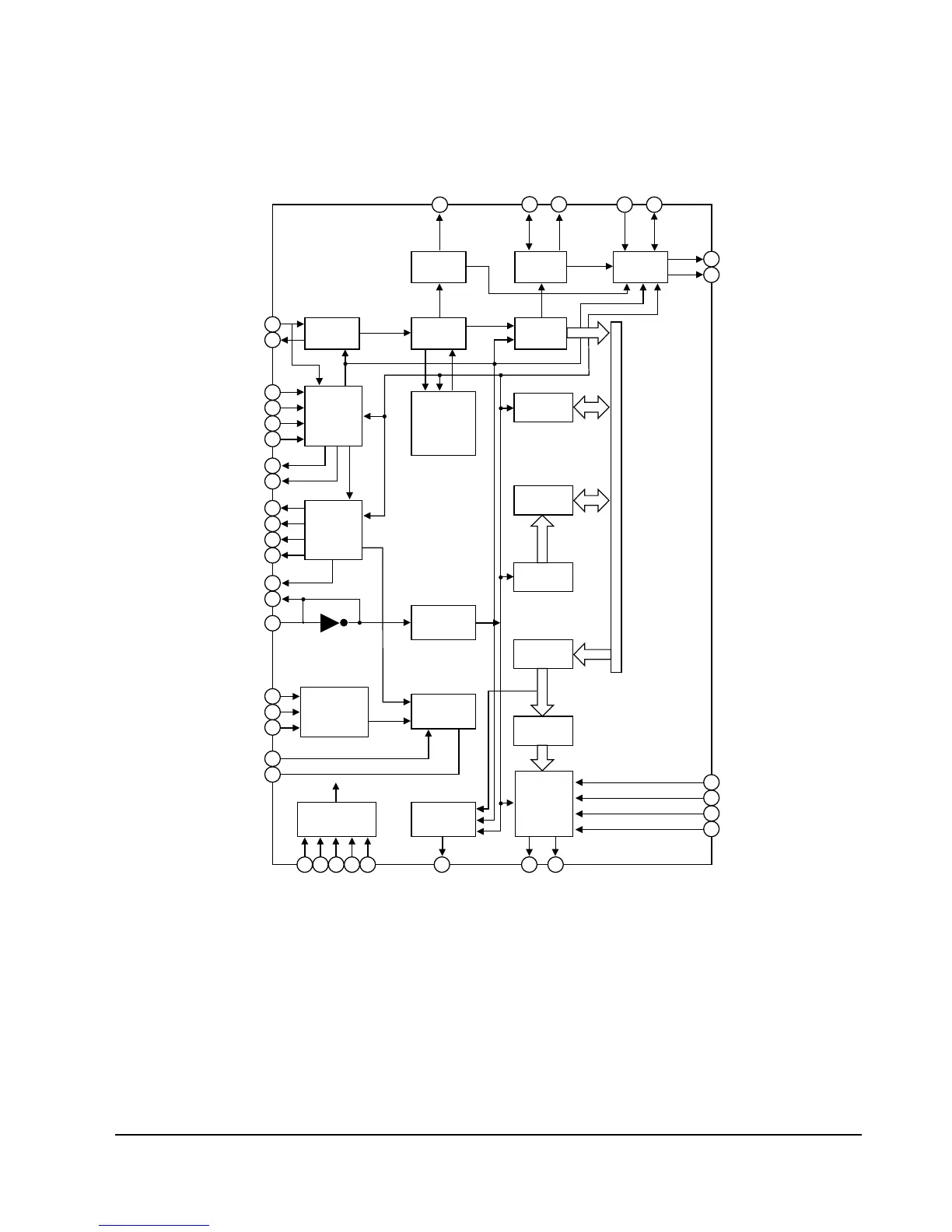
EFMI
APDO
VCOI1
VCOI2
CNTVOL
DPFIN
DPF OUT
DPDO
SMEF
SMON
SMDP
SMSD
LOCK
XIN
XOUT
MLT
MDAT
MCK
38
TRCNT
/ISTAT
SQDT
SQOK
VREFH2
VREFH1
VREFL1
VREFL1
LCHOUT
RCHOUT
DATX
TEST
SEL4
SEL3
SEL2
SEL1
SOS1
SBCK
SDAT
SUBCODE
SYNC
DETECTOR
SUBCODE
OUTPUT
SUBCODE Q
REGISTER
EFM
MODULATOR
23 BITS
SHIFT
REGISTER
EFM
PHASE
DETECTOR
DPLL
C L V
SERVO
E C C
10K SRAM
3RAM
ADDRESS
GENERATOR
DIGITAL
FILTER (BFS)
D A C
DIGITAL
OUTPUT
X' TAL
TIMING
GENERATOR
X' TAL
TIMING
GENERATOR
MODE
SELECTOR
C P U
INTERFACE
28 29
SQCK
SQEN
FRAME
SYNC
DETECTOR
PROTECTOR
INSERTOR
INTERPOLATE
KS9282(DSP) : NIC9282
Samsung Electronics 9-13
Block Diagrams

Related product manuals