EasyManua.ls Logo

Samsung MAX-670 - IC & TR Internal Diagrms

Samsung MAX-670
75 pages
Print Icon
To Next Page IconTo Next Page
To Next Page IconTo Next Page
To Previous Page IconTo Previous Page
To Previous Page IconTo Previous Page
Loading...
9-4 IC & TR Internal Diagrms
14 13
R1
1
2
3
4
9
R2
D1
R20
R19
TR11
TR1 TR2
TR3
R4
R3
C1
TR4
R9
C3
R5
TR6
R7
TR7 TR18
R16
D2
TR8
TR9
R8
R6
C4
5 7 8 10 11 12 15 16 6 17 18
R11
TR14
C6
R17
TR19
TR20
D3
R13
R15
TR17
R4
C5
R16
TR15
22
R10
21
20
19
TR12TR13
R12
C2
TR15
TR5
TR10
28 27 26 25 24 23 22 21 20 19 18 17 16 15
1 2 3 4 5 6 7 8 9 10 11 12 13 14
5K
Vcc
5K
3K
10K
20K
3K
100K
20K
20K
30K
30K
30K
30K
30K
30K
30K
100K
10K
5K
10K
10K
10K
10K
10K
10K
5K
10K
2.16K
10K
10K
Switch Control
100K
2.16K
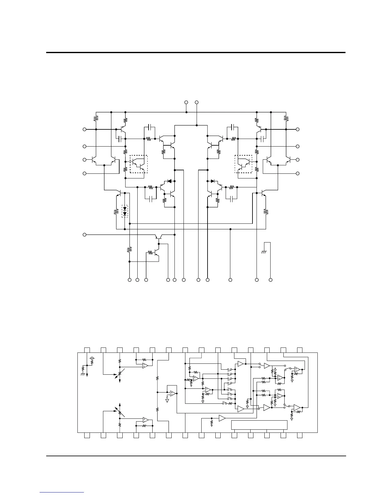
M62453SP : EIC1
STK4221-II : OIC1
9-4 Samsung Electronics
9-4-1 Amp and Tuner Section
Block Diagrams

Related product manuals