EasyManua.ls Logo

Samsung SCA20 - EVF & CVF Schematics

Samsung SCA20
134 pages
Print Icon
To Next Page IconTo Next Page
To Next Page IconTo Next Page
To Previous Page IconTo Previous Page
To Previous Page IconTo Previous Page
Loading...
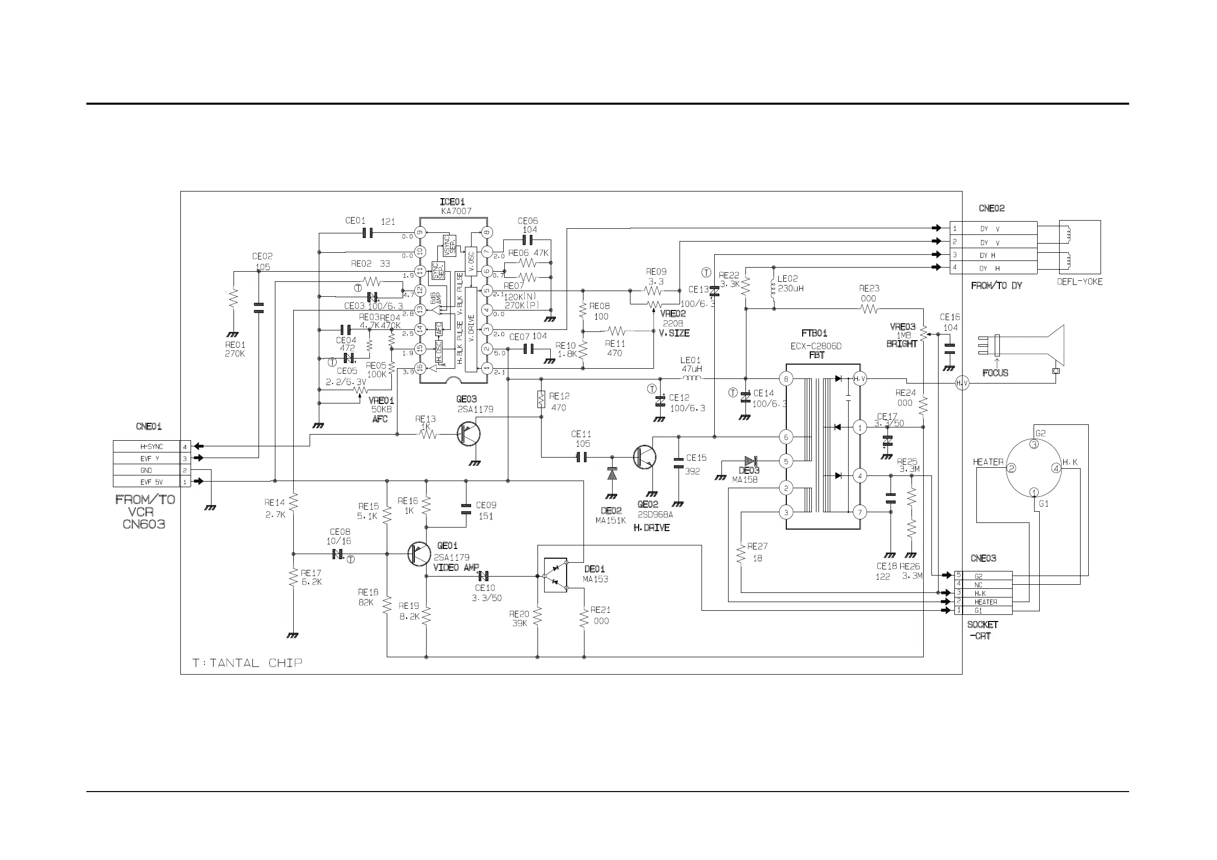
Schematic Diagrams
Samsung Electronics 11-11
11-9 EVF (SC-A20)

Related product manuals