EasyManua.ls Logo

Samsung SCA20 - Video and Audio Block Diagrams

Samsung SCA20
134 pages
Print Icon
To Next Page IconTo Next Page
To Next Page IconTo Next Page
To Previous Page IconTo Previous Page
To Previous Page IconTo Previous Page
Loading...
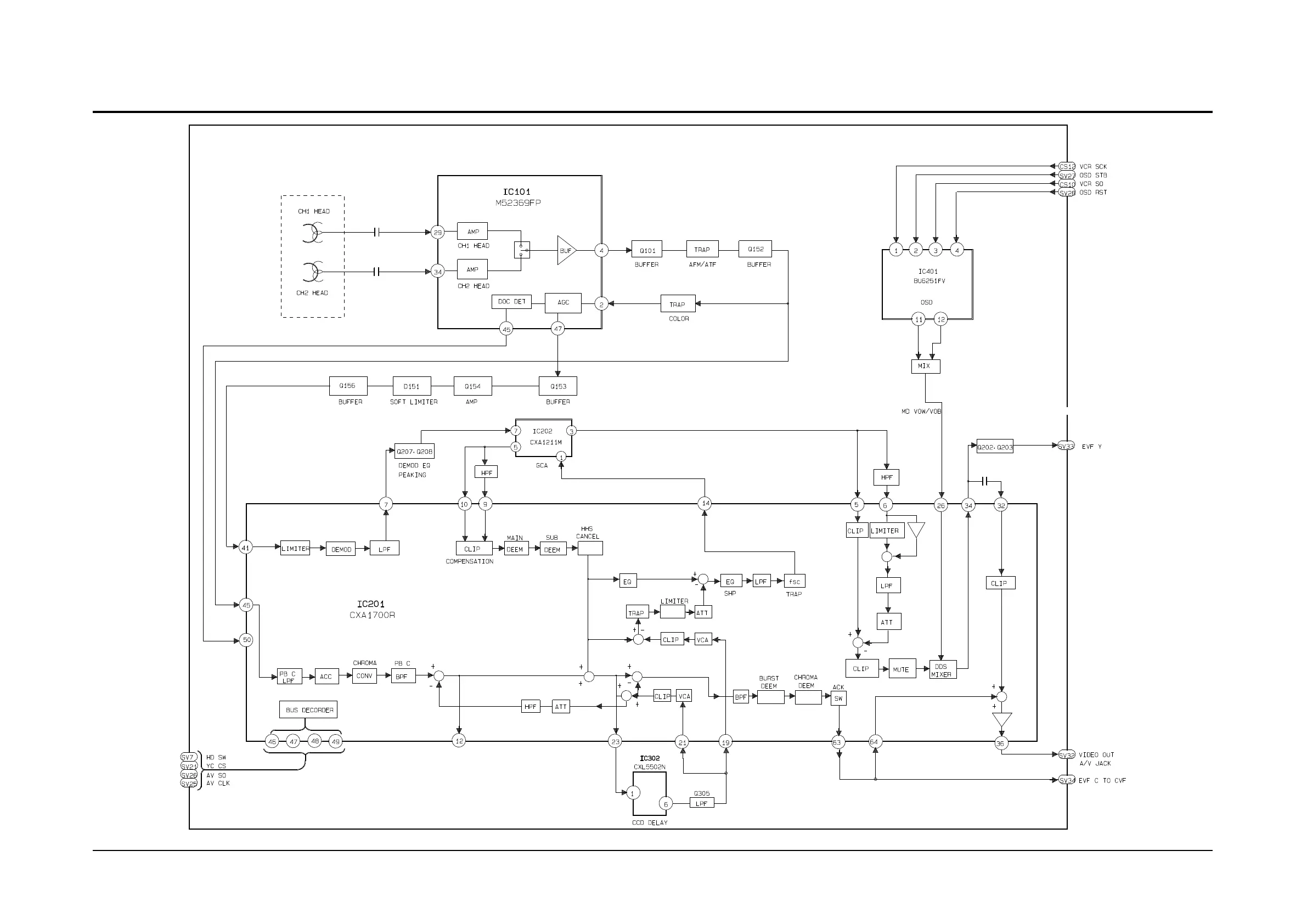
Block Diagrams
Samsung Electronics 8-7
8-6 Video Playback

Related product manuals