EasyManua.ls Logo

Samsung SCA20 - Reference Information; IC Block Diagrams

Samsung SCA20
134 pages
Print Icon
To Next Page IconTo Next Page
To Next Page IconTo Next Page
To Previous Page IconTo Previous Page
To Previous Page IconTo Previous Page
Loading...
2. Reference Information
2-1 IC Blocks
Reference Information
Samsung Electronics 2-1
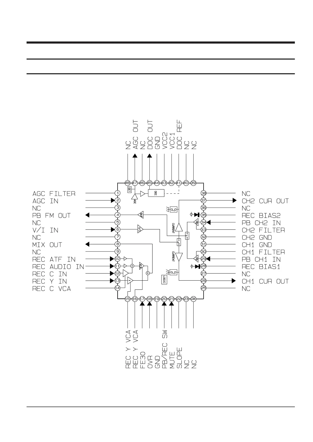
2-1-1 IC101 (M52369FP)

Related product manuals