EasyManua.ls Logo

Samsung SCA23 - Page 23

Samsung SCA23
134 pages
Print Icon
To Next Page IconTo Next Page
To Next Page IconTo Next Page
To Previous Page IconTo Previous Page
To Previous Page IconTo Previous Page
Loading...
Disassembly and Reassembly
Samsung Electronics 4-9
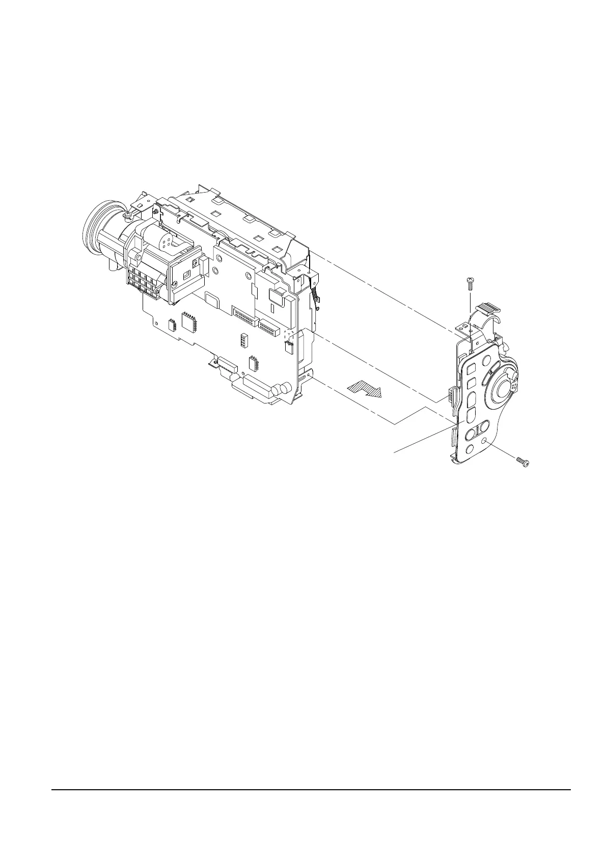
Œ REMOVE 1 SCREW.
´ REMOVE 1 SCREW.
ˇ REMOVE THE ASS'Y CASE REAR IN THE DIRECTION OF ARROW.
4-1-9 Ass’y Rear Board Removal (1)
Fig. 4-9 Ass’y Rear Board Removal (1)

Related product manuals