EasyManua.ls Logo

Samsung SCA23 - Page 30

Samsung SCA23
134 pages
Print Icon
To Next Page IconTo Next Page
To Next Page IconTo Next Page
To Previous Page IconTo Previous Page
To Previous Page IconTo Previous Page
Loading...
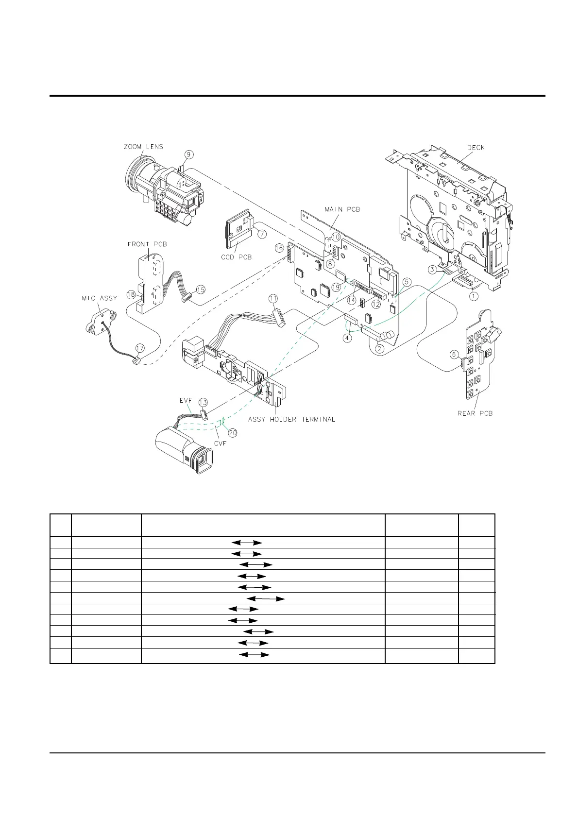
Fig. 4-16 Circuit Boards Location
Disassembly and Reassembly
4-16 Samsung Electronics
4-3 Connector Diagrams
4-3-1 Diagram(1)
NO
CONN.WAFER
DIRECTION
CONN.WAFER NO.
LOCA-NO LOCA-NO
1 W501 DECK MAIN PCB CN501 2
3 W502 DECK MAIN PCB CN101 4
5 CN601 MAIN PCB REAR PCB CN851 6
7 CNC01 CCD PCB MAIN PCB CNP01 8
9 --- LENS FPC MAIN PCB CNP02 10
11 CN001 TERMINAL PCB MAIN PCB CN901 12
13 CNE01 EVF MAIN PCB CN602 14
20 CNE01 CVF MAIN PCB CN603 19
15 CN801 FRONT PCB MAIN PCB CN851 16
17 --- MIC ASSY FRONT PCB CN802 18
17 --- MIC ASSY MAIN PCB CNP03 16

Related product manuals