EasyManua.ls Logo

Samsung SGH-E390 - RF Solution Block Diagram

Samsung SGH-E390
74 pages
Print Icon
To Next Page IconTo Next Page
To Next Page IconTo Next Page
To Previous Page IconTo Previous Page
To Previous Page IconTo Previous Page
Loading...
SAMSUNG Proprietary-Contents may change without notice
This Document can not be used without Samsung's authorization
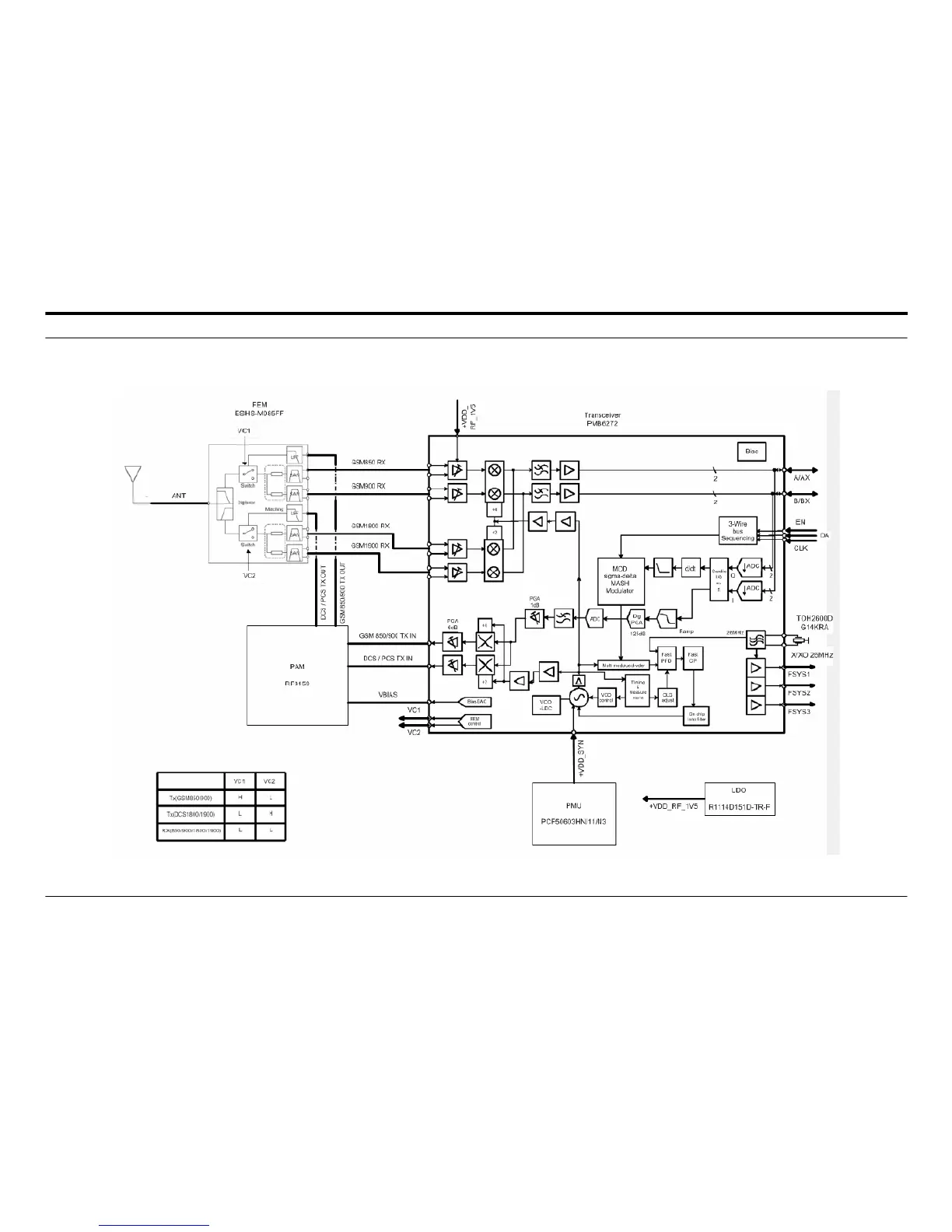
7. Block Diagrams
7-1
7-1. RF Solution Block Diagram

Related product manuals