EasyManua.ls Logo

Samsung SGH-E390 - Base Band Solution Block Diagram

Samsung SGH-E390
74 pages
Print Icon
To Next Page IconTo Next Page
To Next Page IconTo Next Page
To Previous Page IconTo Previous Page
To Previous Page IconTo Previous Page
Loading...
SAMSUNG Proprietary-Contents may change without notice
Block Diagrams
This Document can not be used without Samsung's authorization
7-2
30193019
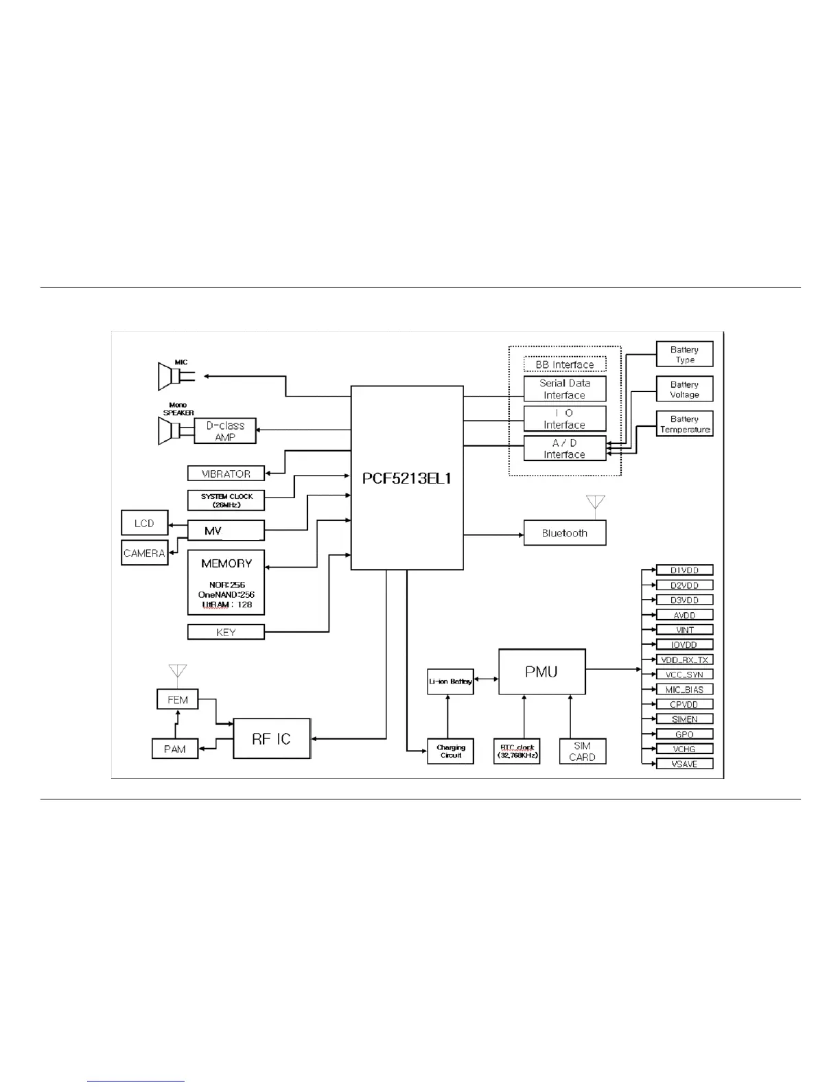
7-2. Base Band Solution Block Diagram

Related product manuals