EasyManua.ls Logo

S&A CW-6000 - CW-5300 Schematics

S&A CW-6000
20 pages
Print Icon
To Next Page IconTo Next Page
To Next Page IconTo Next Page
To Previous Page IconTo Previous Page
To Previous Page IconTo Previous Page
Loading...
TY-JS-20319-003
16
Attachment
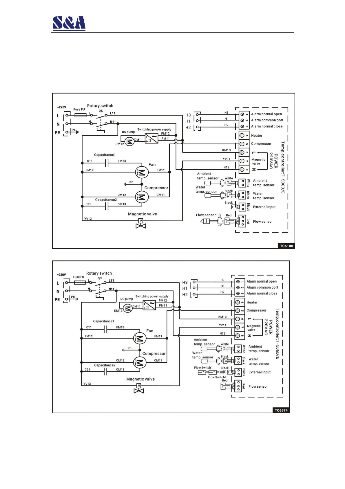
Schematic CW-5300
flow sensor
CW-5300flow switch

Other manuals for S&A CW-6000

Related product manuals