EasyManua.ls Logo

S&A CW-6000 - CW-6000 Schematics

S&A CW-6000
20 pages
Print Icon
To Next Page IconTo Next Page
To Next Page IconTo Next Page
To Previous Page IconTo Previous Page
To Previous Page IconTo Previous Page
Loading...
TY-JS-20319-003
17
CW-6000
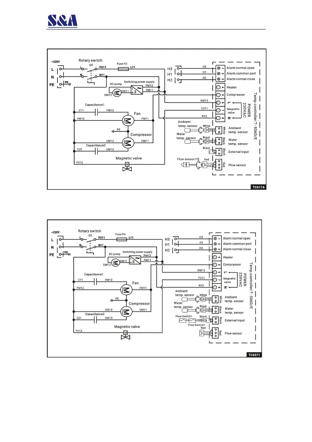
flow sensor
CW-6000
flow switch

Other manuals for S&A CW-6000

Related product manuals