EasyManua.ls Logo

S&A CW-6260 - Page 17

S&A CW-6260
20 pages
Print Icon
To Next Page IconTo Next Page
To Next Page IconTo Next Page
To Previous Page IconTo Previous Page
To Previous Page IconTo Previous Page
Loading...
TY-JS-20319-003
17
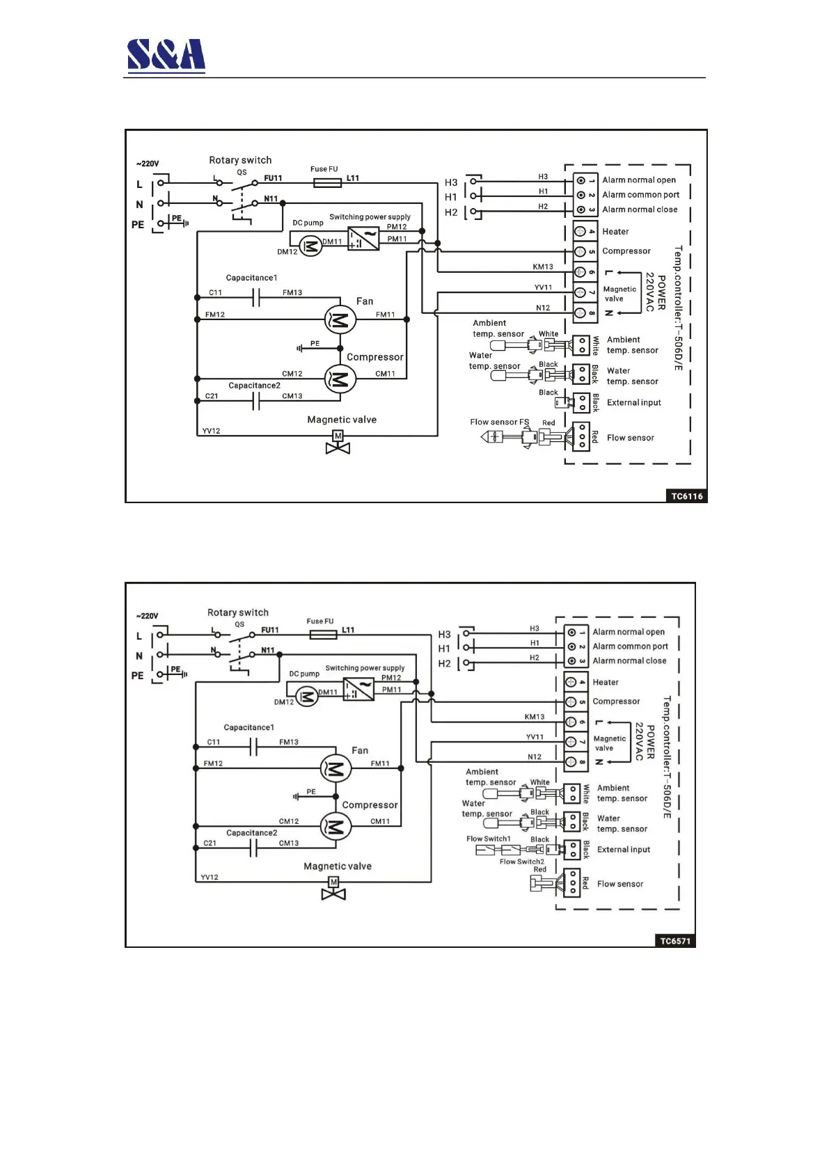
CW-6000
flow sensor
CW-6000
flow switch

Other manuals for S&A CW-6260

Related product manuals