EasyManua.ls Logo

Sansui 5900Z - Page 3

Sansui 5900Z
22 pages
Print Icon
To Next Page IconTo Next Page
To Next Page IconTo Next Page
To Previous Page IconTo Previous Page
To Previous Page IconTo Previous Page
Loading...
59002/49002/3900Z
:
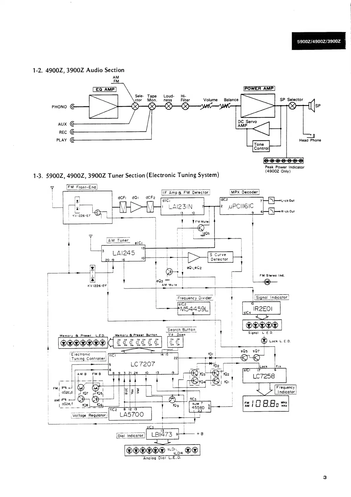
1-2.
4900Z,
3900Z
Audio
Section
AM
FM
POWER
AMF
Sele-
Tape
Loud-
Hi-
ctor
Mon.
ness
Fijter
Volume
Balance
SP
)_
Or
—&)
I)
ni
14
SP
AUX
rv
eave
REC
meee
|
PLAY
a
Smug
BRaGe
Control
PHONO
Vi
ty
Peak
Power
Indicator
(4900Z
Only)
1-3.
5900Z,
4900Z,
3900Z
Tuner
Section
(Electronic
Tuning
System)
Y
FM
Front-End
|
|1}F
Amp
&
FM
Detector
|
'MPX
Decoder
dic2
oL-ch
Out
2
uUPCHI6IC
3
dCFi
dQ
dCF2
WHA
Lal23)N
y
Yew
Mute
dic;
oR-ch
Out
|
|
Y
awctuner
:
|
r
A
|
|
une
elCi
|
|
|
LAI245
|
|
|
|
S
Curve
:
6
'
|
-_
Detector
yo
ee
eer
|
ne
|
(
py
|
ce
|
{
|
Y
|
FM
Stereo
tnd.
j
|
!
|
a
|
4
|
eQ3
7”
|
|
!
L—_}—
!
KV
1226-EF
|
AM
Mute
|
|
|
|
|
|
SE
|
|
Frequency
Divider.
!
i|
Signal
Indicator
'
|
siC2
|
!
icpaue
search
Button
i
1
I
|
'
H
|
i
Signat
LED.
Memor
&
Preset
L-E.D.
Memory
&
Preset
Button
Up
Oown
|
|
|
SOOEELE
Ku
Peete
g
PL
@
voce
v.00
‘Electronic
ea
Tuning
Controller
|
|
|
Li
|
f
ru
ol
[Frequency
|
|
|
oSec,d
|
Indicator
|
|
AMI
&@
©
es
sania
f
_
L
'
NUM
7
ee
eee
Foo
file>
8
l2
13
|
!
4538)
6
“Veitage
Reguter||
LAS7OO
ae
[Dial
Indicator
|
+8
555000
,.
06
Analog
Dial
L.E.0.

Related product manuals