EasyManua.ls Logo

Santon PREMIER PLUS - Page 11

Santon PREMIER PLUS
28 pages
Print Icon
To Next Page IconTo Next Page
To Next Page IconTo Next Page
To Previous Page IconTo Previous Page
To Previous Page IconTo Previous Page
Loading...
11
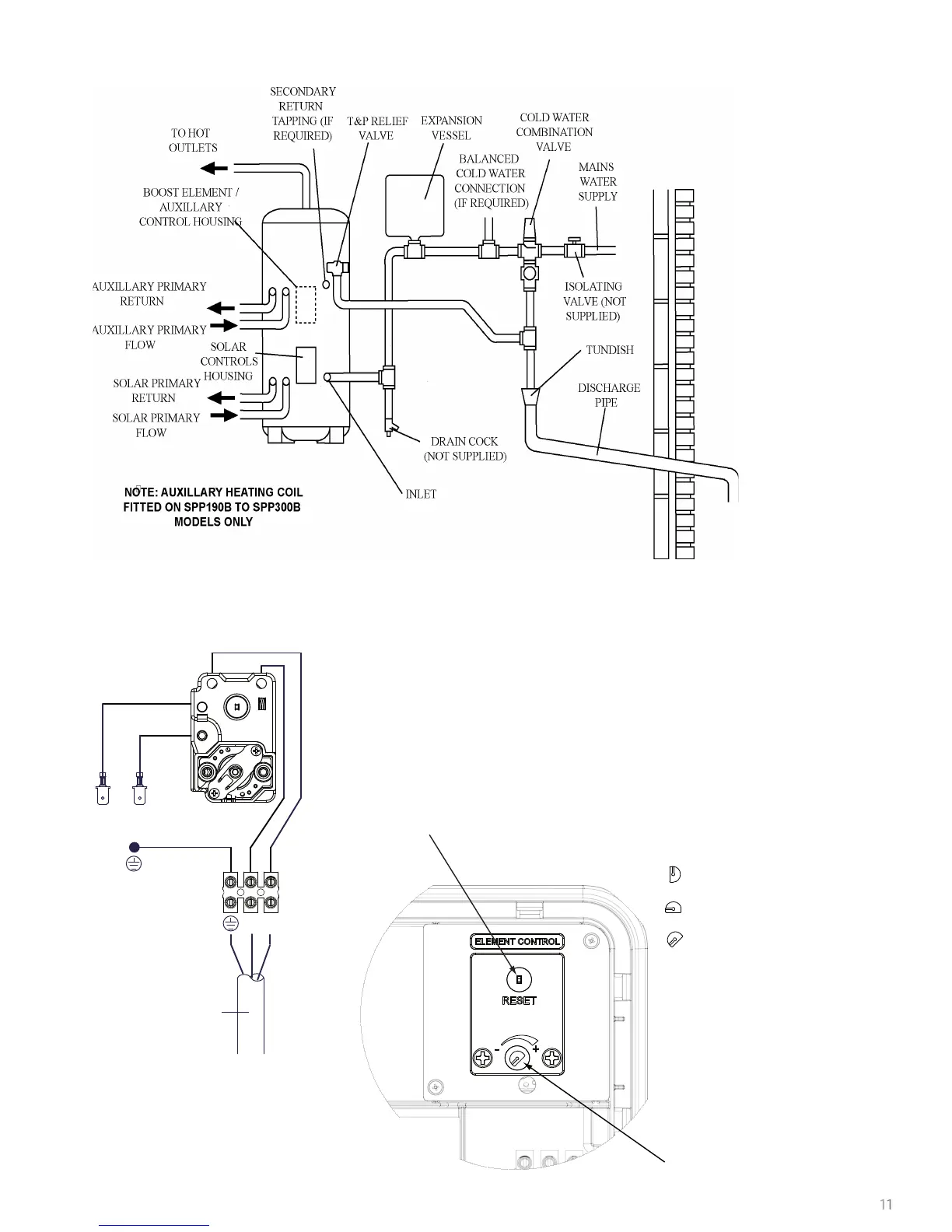
FIG. 5 Typical installation - schematic
N
L
Direct Wiring Layout
1.5mm² 3 Core
HOFR sheathed
cable
Fig 6 - Direct Electrical connections (schematic)
Fig 7 - Adjustment details

Related product manuals