EasyManua.ls Logo

Santos 01 - Page 33

Santos 01
Print Icon
To Next Page IconTo Next Page
To Next Page IconTo Next Page
To Previous Page IconTo Previous Page
To Previous Page IconTo Previous Page
Loading...
SANTOS : User and maintenance manual
98101 US 3.2 - 10 2010 14 / 19 www.santos.fr
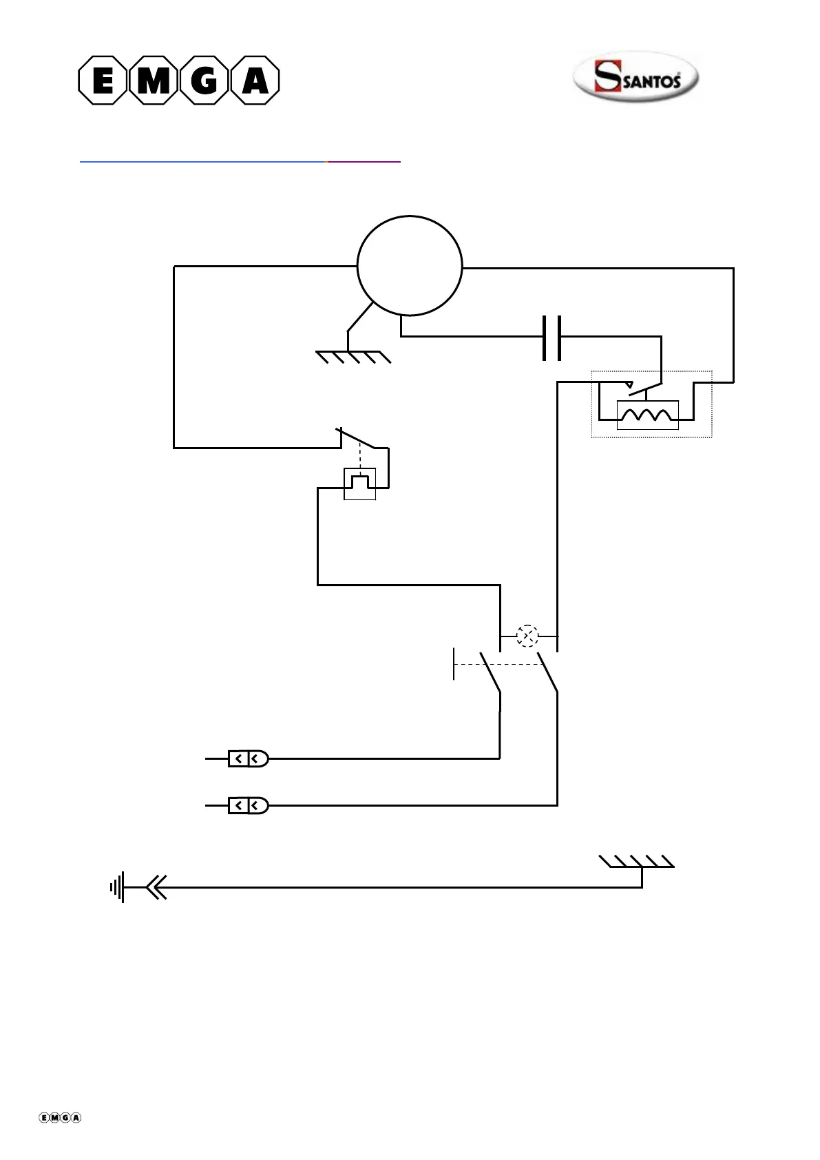
Wiring diagram 220-240V 50Hz Model #4
Black
4
3
2
Capacitor
White
White
M
Brown
Starter relay
~
On/Of
f
White
White
White
Green/Yellow
Excess current
protector
White
408001-12 en ma 2010.10 14/19

Table of Contents

Related product manuals