EasyManua.ls Logo

Santos 01 - Page 49

Santos 01
Print Icon
To Next Page IconTo Next Page
To Next Page IconTo Next Page
To Previous Page IconTo Previous Page
To Previous Page IconTo Previous Page
Loading...
98101 FR 3.2 - 10 2010 11 / 20 www.santos.fr
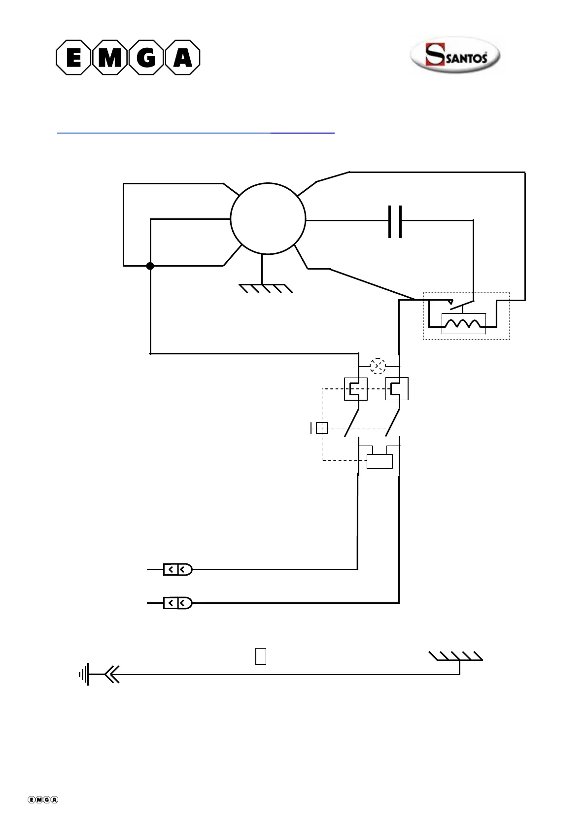
Schéma électrique 110-120V 50/60Hz Modèle n°1
4
3
2
Bleu
Relais de
démarrage
~
Blanc
Blanc
Noir
Marron
0
Condensateur
M
Jaune
Blanc
Noir
Marron
Rouge
Noir
Blanc
Noir
Marche/Arrêt
4
3
P1
P2
U<
408001-12 fr ma 2010.10 11/20

Table of Contents

Related product manuals