EasyManua.ls Logo

Santos 01 - Page 54

Santos 01
Print Icon
To Next Page IconTo Next Page
To Next Page IconTo Next Page
To Previous Page IconTo Previous Page
To Previous Page IconTo Previous Page
Loading...
98101 FR 3.2 - 10 2010 16 / 20 www.santos.fr
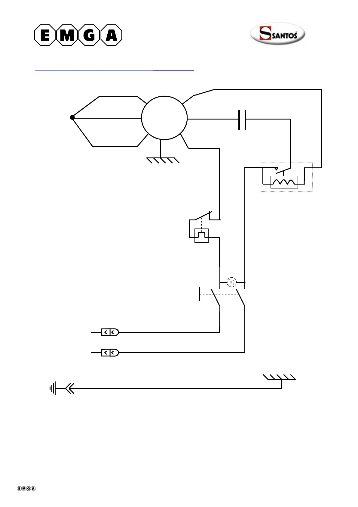
Schéma électrique 220-240V 60Hz Modèle n°4
Bleu
~
Marche/Arrêt
Blanc
Blanc
Protecteu
r
thermi
q
ue
Blanc
Blanc
Noi
r
4
3
2
Relais de
démarrage
Blanc
Blanc
Condensateur
Jaune
Blanc
Rouge
Noir
Marron
M
Vert / Jaune
408001-12 fr ma 2010.10 16/20

Table of Contents

Related product manuals