EasyManua.ls Logo

Sanyo C4 - Page 14

Sanyo C4
34 pages
Print Icon
To Next Page IconTo Next Page
To Next Page IconTo Next Page
To Previous Page IconTo Previous Page
To Previous Page IconTo Previous Page
Loading...
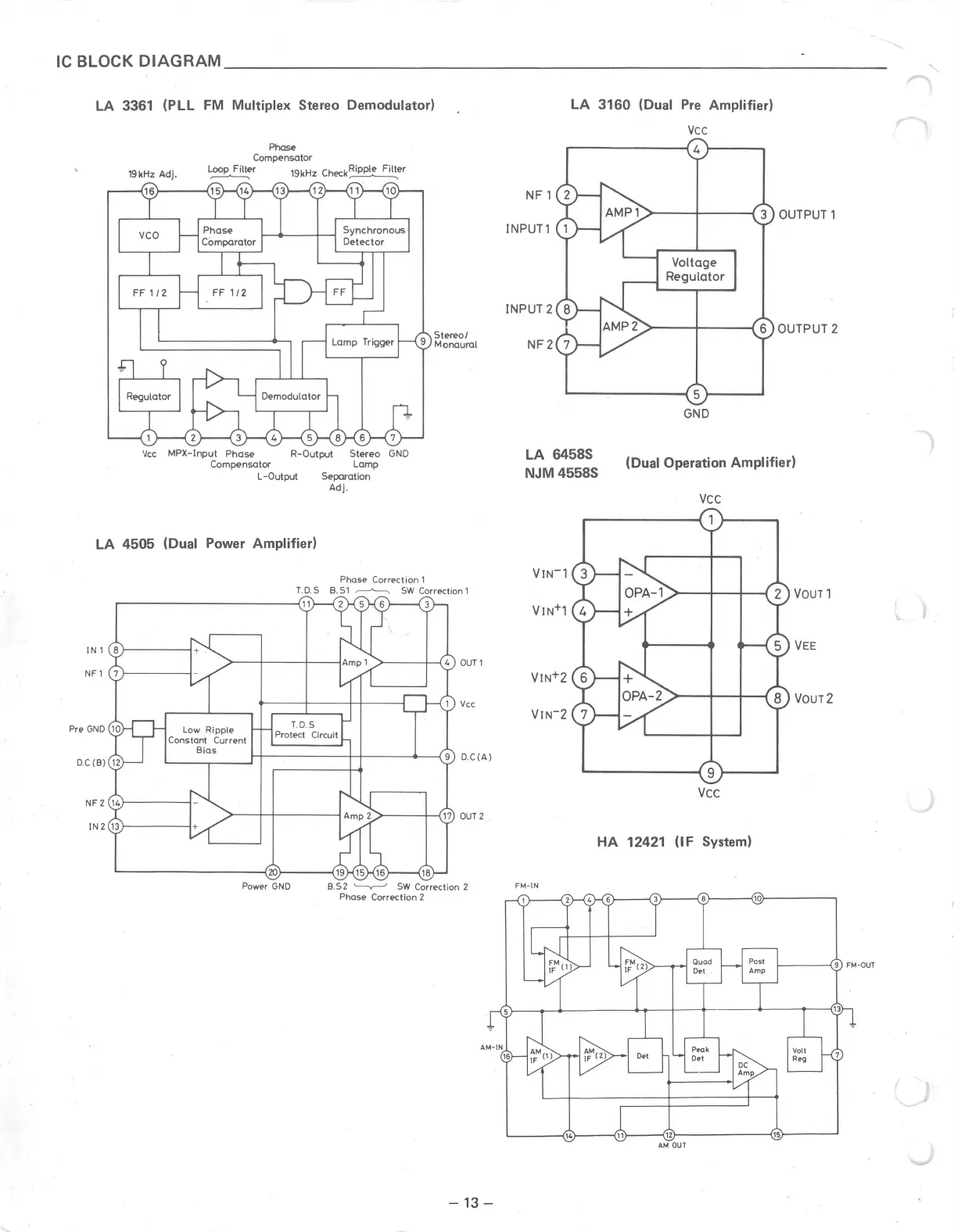
IC BLOCK DIAGRAM ____________________________ _
LA 3361 (PLL FM Multiplex Stereo Demodulator)
Phase
Compensator
~er 19kHz Check~er
R-Output Stereo
Vee MPX-lnput Phase
Compensator
L-Output
Lamp
Separation
Adj.
GND
LA 4505 (Dual Power Amplifier)
IN 1
T.D.S
SW Correction 1
-----------<20)-------,
Power GND
8.52 '--v-----' SW Correction 2
Phase Correction 2
-13 -
NF 1
INPUT1
INPUT 2
LA 3160 (Dual Pre Amplifier)
Vee
.----------i4 ----
>---+-----< 3 OUTPUT 1
Voltage
Regulator
>---+----<6 OUTPUT2
,._ _______ -4 5 ----
GND
LA 6458S
NJM 4558S
(Dual Operation Amplifier)
Vee
--------1 9 >--- ...
Vee
HA 12421 (IF System)
FM-IN
L-----14
•1--------<15;}----~
AM OUT
r"\

Related product manuals