EasyManua.ls Logo

Sanyo PLC-XT11 - Connecting to Video Equipment

Sanyo PLC-XT11
48 pages
Print Icon
To Next Page IconTo Next Page
To Next Page IconTo Next Page
To Previous Page IconTo Previous Page
To Previous Page IconTo Previous Page
Loading...
13
CONNECTING PROJECTOR
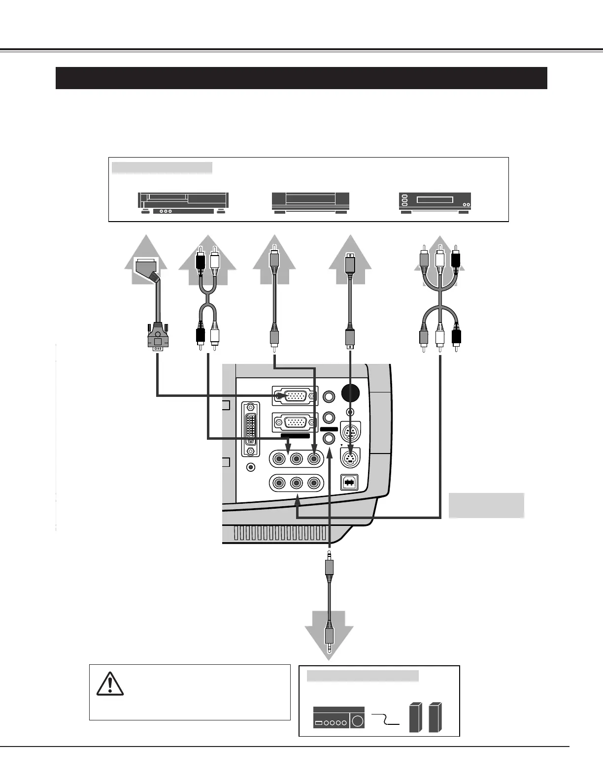
CONNECTING TO VIDEO EQUIPMENT
S VIDEO
USB
COMPUTER IN 2
DVI - I
MCI / WI
R AUDIO IN L
(MONO)
VIDEO
Pb / Cb Pr / Cr
Y
MONITOR OUT
COMPUTER IN 1
AUDIO IN 1
AUDIO IN 2
AUDIO OUT
RESET
CONTROL PORT
Video Source (example)
Video Cassette Recorder Video Disc Player
Video Cable
(RCA x 1)
S-VIDEO
Cable
Audio Amplifier
Audio Speaker
(stereo)
Audio Cable
(Stereo)
Terminals
of the Projector
Use any of VIDEO jack, S-VIDEO
jack, or Y-Pb/Cb-Pr/Cr jacks.
When both VIDEO jack and S-
VIDEO jack are connected, S-
VIDEO jack has priority over
VIDEO jack.
When both Y-Pb/Cb-Pr/Cr jacks
and S-VIDEO jack are connected,
Y-Pb/Cb-Pr/Cr jacks has priority
over S-VIDEO jack.
S-VIDEO Output
Audio Input
Cables used for connection ( = Cable is not supplied with this projector.)
Video Cable (RCA x 1 or RCA x 3)
Audio Cable {Mini Plug (stereo)}
S-VIDEO Cable Scart Cable
Audio Cable (RCA x 2)
NOTE :
When connecting the cable, the power
cords of both the projector and the external
equipment should be disconnected from
AC outlet.
Audio Output
(R, L)
Audio Cable
(RCA x 2)
External Audio Equipment
AUDIO IN
S-VIDEO
Y - Pb/Cb - Pr/Cr
VIDEO
AUDIO OUT
Component video output equipment.
(such as DVD player or high-definition TV source.)
Composite
Video Output
Component Video Output
(Y, Pb/Cb, Pr/Cr)
Video Cable
(RCA x 3)
RGB Scart
21-pin Output
Scart Cable
COMPUTER IN 1

Table of Contents

Other manuals for Sanyo PLC-XT11

Related product manuals