EasyManua.ls Logo

Sanyo PLC-XU75

Sanyo PLC-XU75
104 pages
To Next Page IconTo Next Page
To Next Page IconTo Next Page
To Previous Page IconTo Previous Page
To Previous Page IconTo Previous Page
Loading...
-51-
IC301
SYSTEM CONTROL
CHO_RXD
CHO_TXD
P_FAIL
ON_33V
FAN_ERR
ON_150V
BLAST_AC
BLAST_AC
S5V
1.2V
S6V
IC5601
D3601
D5622/D5623
D3606
S3.3V
LINE FILTER
BOARD
LAMP
BALLAST
1 4 5
5
4
1
CN02
K8H
1 3
K8S
K6D
CN01
K6CK6B
LAMP
AC CORD
K6R K8R
POWER
R/C
MAIN
IC621
P.F.CONTROL
<FA5502>
6
5
1
8
4
3
2
9
11
7
8
10
2
10 1
1
4
T651
D652
D651
D653
IC651
Q662
PC641
ERROR
AMP
Power-On:H
Power-On:H
Power-On:H
Power-On:H
Power-On:H
Power-On:H
P-Fail:H
LAMP_DET
(Power-On:L)
LAMP_SW
(Power-On:L)
P-Fail:L
PC642
IC641
POWER OSC.
<STR-Z2156>
Feedback
S6V
S16V
S-5V
ON_150V
LAMPDC_ON
IC4891
NAND
S6V
S16V
S-5V
1
3
4
7
IC8811
TEMP. SENSOR2
<MCP9801>
(LAMP) (PANEL) (OUT SIDE)
IC8821
TEMP. SENSOR1
<MCP9801>
IC8831
TEMP. SENSOR3
<MCP9801>
26
LAMP_DET
185
2
13
295
215
11
201
ON_50V
110
LAMPDC_ON
89
284
283,212
SCL0
SDA0
IC9883
INVERTER
SW901
S16V
FAN_A
Q7812
D3613
D5707/D5704
9
IC5621
S3.3VA_PW
IC1306
S1.8VA_PW
S3.3VD_PW
Q5821
S2.5V_PW
IC5681
IC5651
S1.8VD_PW
Q5811
5V_AUDIO
IC5081
15.5VL
ON_50V
FAN_CON_A
FAN_B
Q7862
IC7811
IC5701
D3614
12V
IC5461
D3602/D3611
FAN_CON_B
ON_33V
3.3V
Q3582
ON_33V
ON_50V
K6A
SW902
Thermal SW
Lamp Cover SW
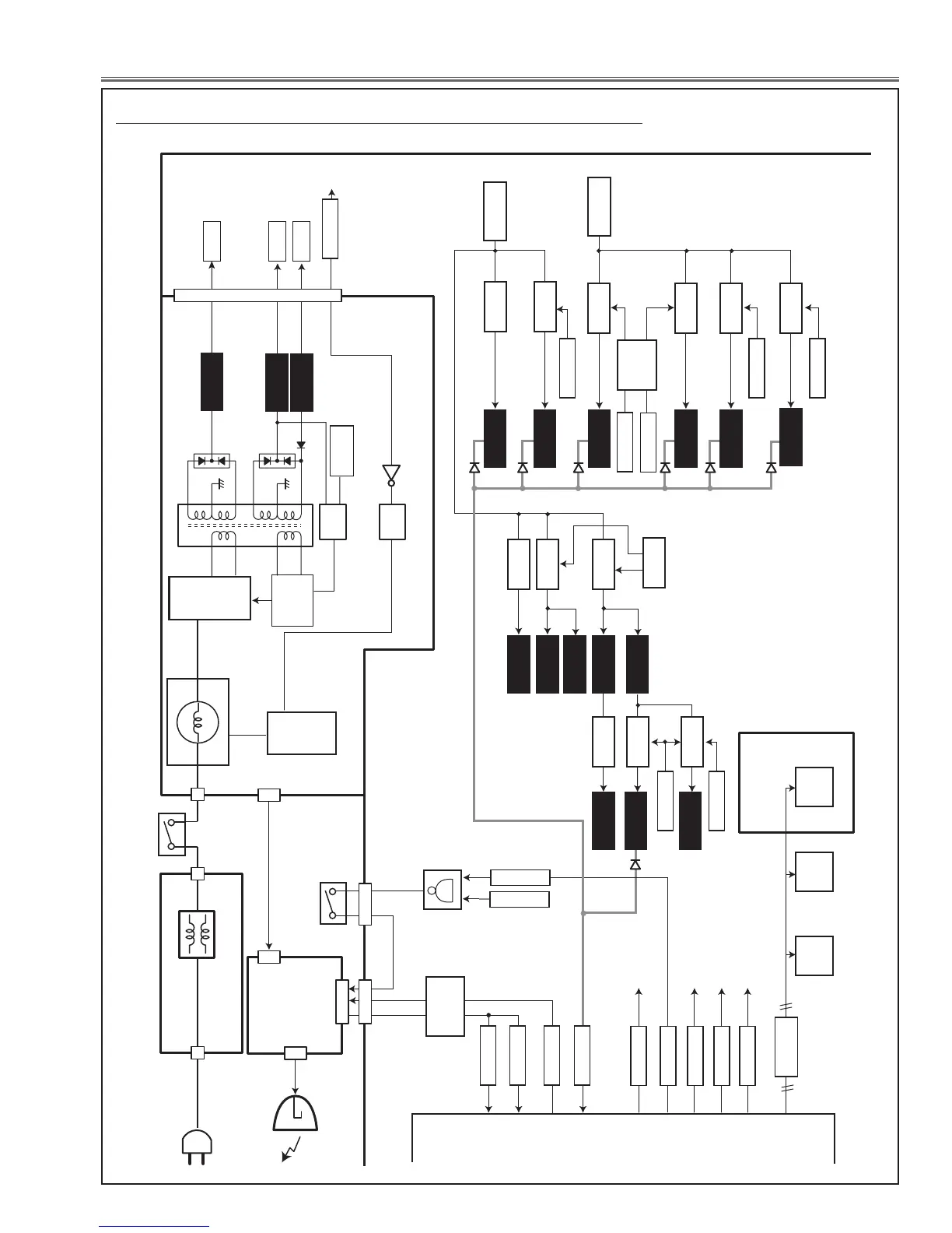
Power supply & protection circuit
Chassis Block Diagrams

Other manuals for Sanyo PLC-XU75

Related product manuals