EasyManua.ls Logo

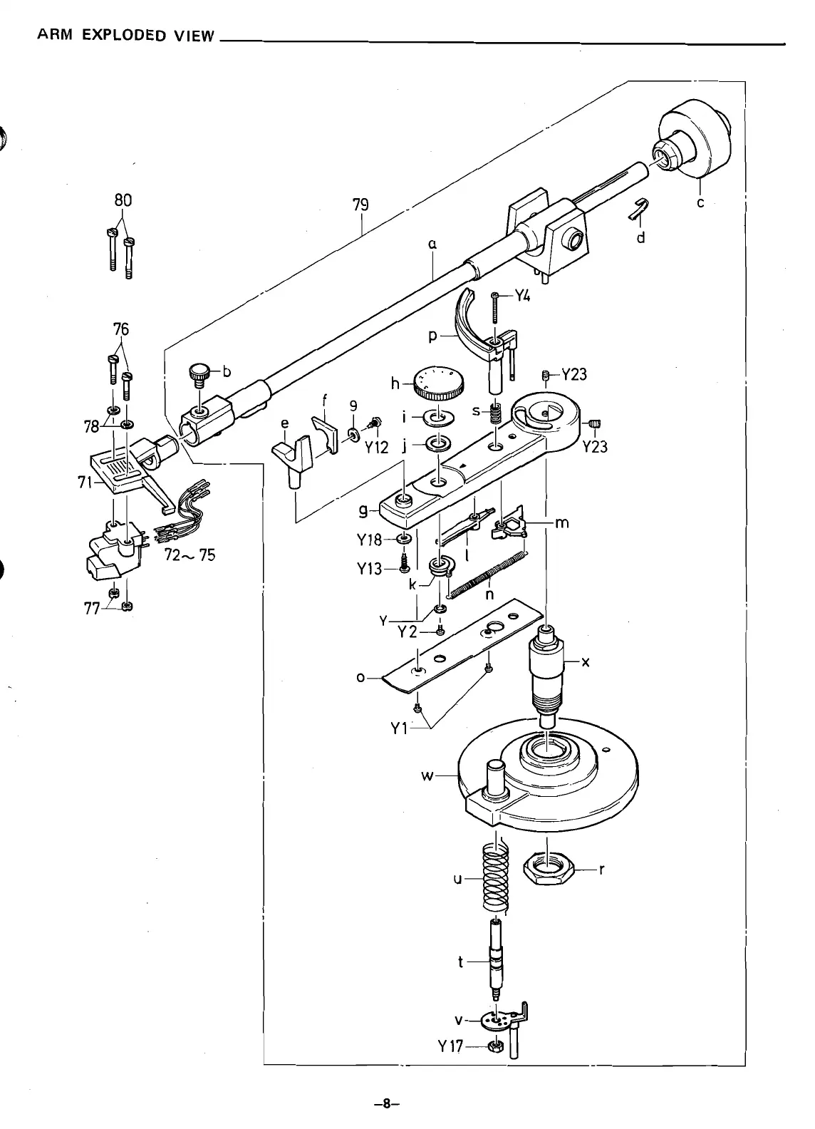
Sanyo PLUS Q50 - Tonearm Exploded View; Tonearm Component Breakdown

Sanyo PLUS Q50
19 pages
To Next Page IconTo Next Page
To Next Page IconTo Next Page
To Previous Page IconTo Previous Page
To Previous Page IconTo Previous Page
Loading...
ARM EXPLODED VIEW
- 8 -

Related product manuals