EasyManua.ls Logo

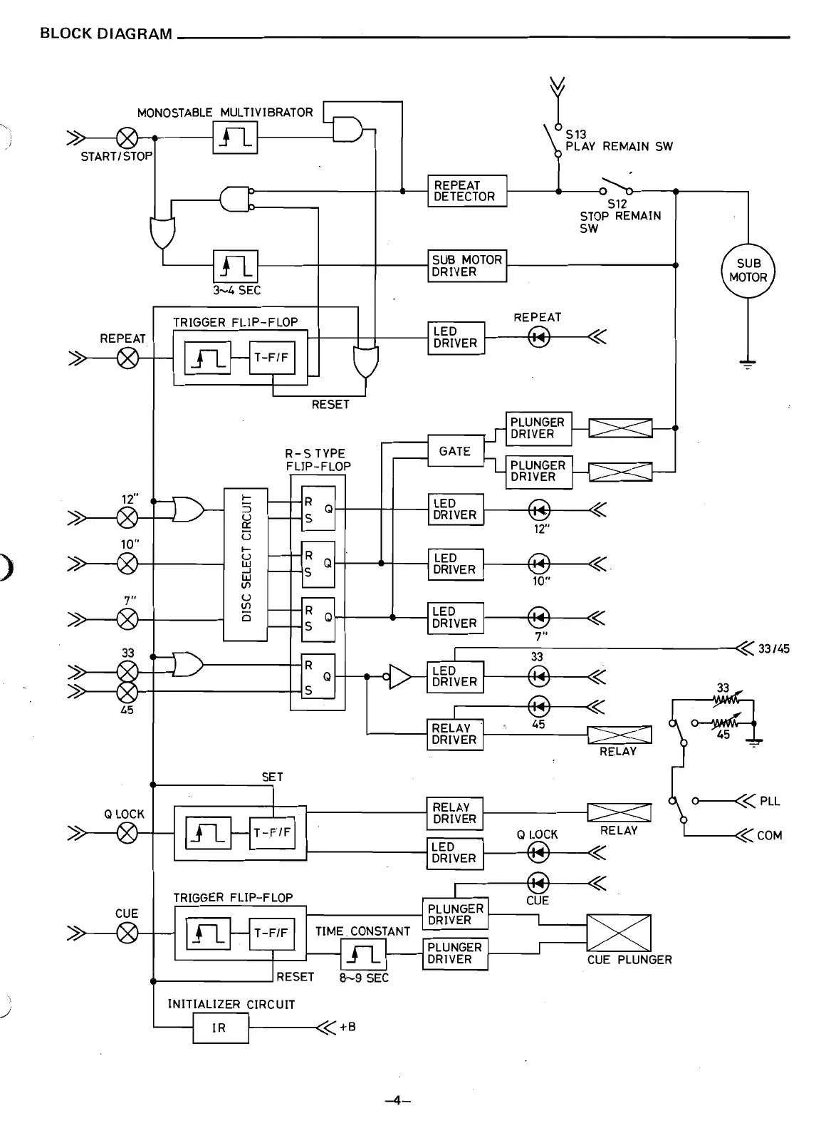
Sanyo PLUS Q50 - System Block Diagram; Overall Functional Flow

Sanyo PLUS Q50
19 pages
Print Icon
To Next Page IconTo Next Page
To Next Page IconTo Next Page
To Previous Page IconTo Previous Page
To Previous Page IconTo Previous Page
Loading...

Related product manuals