EasyManua.ls Logo

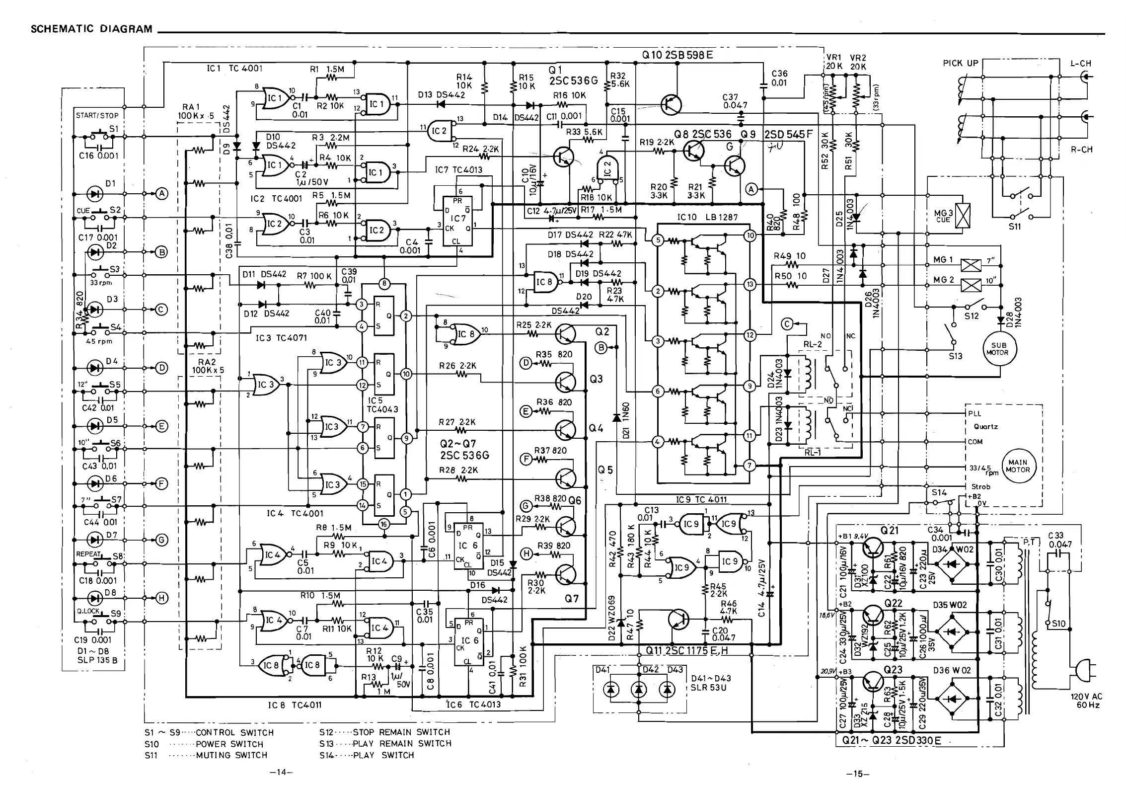
Sanyo PLUS Q50 - Overall Schematic Diagram; Main Electronic Schematic

Sanyo PLUS Q50
19 pages
To Next Page IconTo Next Page
To Next Page IconTo Next Page
To Previous Page IconTo Previous Page
To Previous Page IconTo Previous Page
Loading...
SC H EM ATIC D IA G R A M
I
I
I
A
1
I
I
I
I
I
I



 


20$V

I
I
I
I
l
L

-VW
1
 
l- M /W -
I- * VW






-VW-----
l I K b l U f t , _____


-----VW

-----VW--------




 


AAA <
(0>*VW
(D*vw
© -V W
I

 




j Quartz

I
St rob
t-B2
L _0V

Related product manuals