EasyManua.ls Logo

Sanyo SA-93A - 6-2. Electrical Wiring Diagrams

Sanyo SA-93A
27 pages
Print Icon
To Next Page IconTo Next Page
To Next Page IconTo Next Page
To Previous Page IconTo Previous Page
To Previous Page IconTo Previous Page
Loading...
9
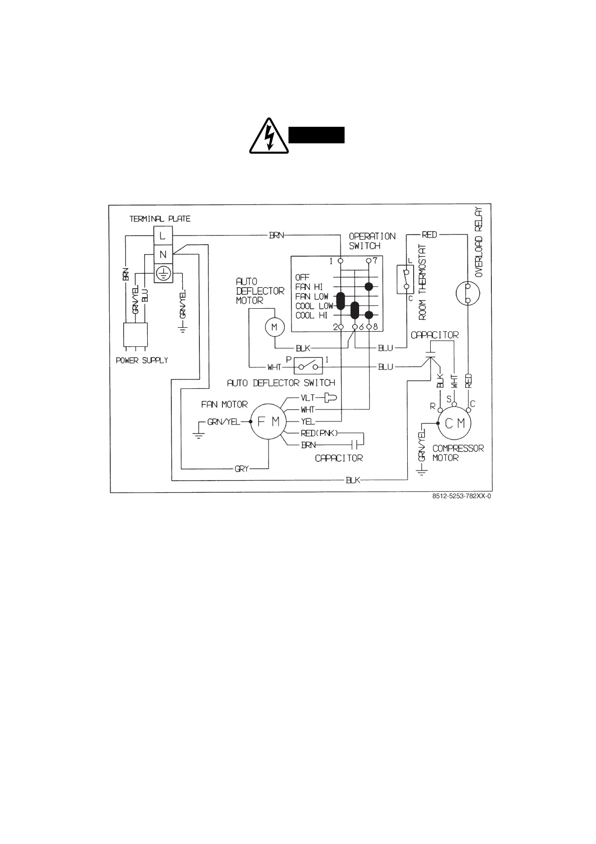
6-2. Electrical Wiring Diagrams
Model SA–93A
To avoid electrical shock hazard, be sure to
disconnect power before checking, servicing
and/or cleaning any electrical parts.
WARNING
DATA SUBJECT TO CHANGE WITHOUT NOTICE.

Related product manuals