EasyManua.ls Logo

Sargon Prospector - Page 6

Sargon Prospector
47 pages
Print Icon
To Next Page IconTo Next Page
To Next Page IconTo Next Page
To Previous Page IconTo Previous Page
To Previous Page IconTo Previous Page
Loading...
EN
EO
LNE
I
rtcal
Entryi
G;)
E
rkal
Enty.
G;I
H
t9
F;l
u3
alal
Entry.
Gi
H
[1J
6bl
Entry.
t;;)
[9
rlc.l
Enqt.
r;;]
H
|.:1j
ffif""*'
H
[1J
rical
Entry.
l;G
H
[lJ
rlcal
Entry.
Gi
H
[lJ
ilical
Entryr
Fi
e,
It RS232
option is
lmtattcd
DN
ED
EENEET
I
SEHTE
H
rEE
SHUE
ENd
PTDE
rEE
SHUE
ENd PTDE
ENd
DF
E
TELE
DN
LNE
HELP
TEEUTN
ED NNr
to select digit;
to
increment
digit
r
Nuclcal
lNcFl
[1J
Pr€ss
SEL
Press
INCR
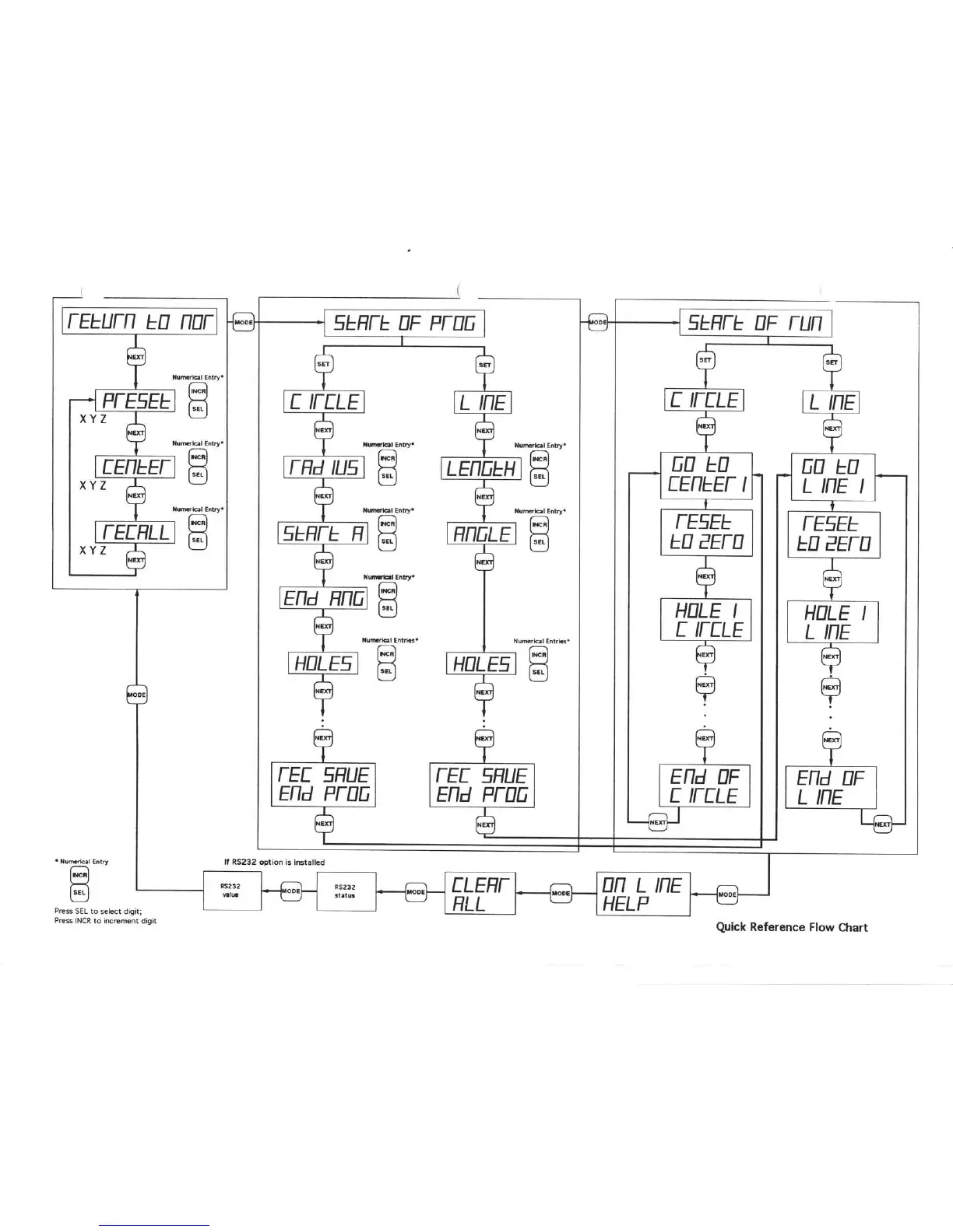
Quick
Reference
Flow
Chart