EasyManua.ls Logo

Schaudt CSV 416 - Block Diagram and Wiring; System Wiring Diagram

Schaudt CSV 416
18 pages
Print Icon
To Previous Page IconTo Previous Page
To Previous Page IconTo Previous Page
Loading...
Operating Instructions Caravan-charging system CSV 416
18
Date: 30.05.2021 8050111 BA / EN
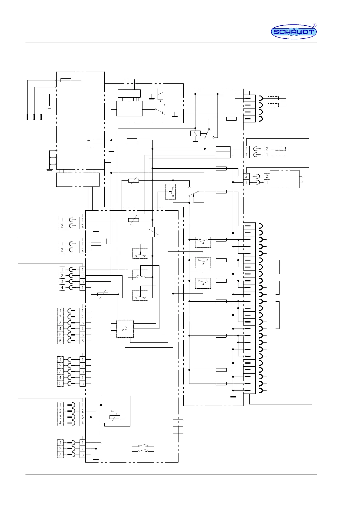
E Block diagram/wiring diagram
Shunt*
14.3V/28A
switch mode
3G1.5
L=1.2m
230V ~ 50Hz
to
CSV 416 ST
S 1208-x
Booster
* AHK as signment of the towing v ehicle / caravan connector as
per EN 1648-1. Connectors AHK 9 and AHK 10 must be fus ed
external within the vehicle (max. 15A).
LF-P A401, 4-way
30A
Main
s
SCSV 416
30A
10A
10A
5A
5A
12V on
PolySwitch
PolySwitch
5A
PolySwitch
15A
2.5A
PolySwitch
15A
15A
10A
15A
10A
CSV 416
CSV 416 ST
0.4A
BUS
GND
+12V
Charge signal
Ser.
bus
Ser.
bus
BUS
GND
+12V
Battery-
types (4)
to
S1208
Molex Microfit 3F
Molex Microfit 3F
Molex Microfit 5F
Molex Microfit 6F
full
3/4
1/2
1/4
Base
full
3/4
1/2
1/4
Base
n.c.
AW
FW
Circuit-
Output
Wa t. tap
KS contr.
Rast5 - 4-pin
Rast5 - 2-pin
Rast5 - 2-pin
1+
2+
3+
D+ +
+
S
+
--
15A
15A
15A
+ AHK 10*
+AHK9*
-- AHK 13*
+ KS compressor
Molex MiniFit SR-2f
Molex MiniFit SR-2f
+ Caravan-
-- Battery
max. 40A
Solar-
charge
regulator
LR ...
Solar-
module
+
--
+
--
+
--
+
+
+
--
+
+
--
+
+
--
+
--
+
+
--
+
--
+
--
+
--
Heater
Pump
WC
Circuit 1
Circuit 2
Circuit 3
Awning light
TV
Circuit 4
Circuit 5
Spare
Plug connector LF-PA 401
6.3x0.8 - 26-way
(*from 05/2021)

Related product manuals