EasyManua.ls Logo

Schaudt Electroblock EBL 211 - System Wiring Diagram

Schaudt Electroblock EBL 211
16 pages
Print Icon
To Next Page IconTo Next Page
To Next Page IconTo Next Page
To Previous Page IconTo Previous Page
To Previous Page IconTo Previous Page
Loading...
Operating Instructions Electroblock EBL 211
15
Date: 22.01.2016
9110476 BA / EN
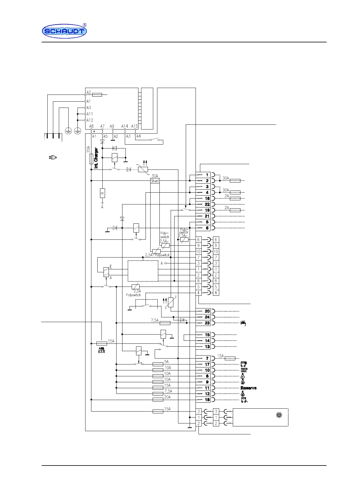
E Block diag ram/wiring d iagram
230 V mains ~ 50 Hz
Low power device socket
230V AC
LAS 1218
S 1218
Changeover
switch
Lead-gel
AGM
Charging relay B1
Main
switch-rel
ay
Batterycut--off relay
Battery-
monitor
BW 208
Switching stage
Refrigerator
Important
The fuse is only used
for an AES refrigerator
Awningl
ight
Circuit board KPL EBL 208
Battery on / off
Battery cut-- out switch:
Isolates the control panel and the frost protection valve of the
heater system from the battery to prevent standby currents during
shut--down.
Plug connector LF--PA 401
6.3x0.8 -- 4x 6-way
+ Leisure area battery
+ Starter battery
D+ input
D+ point
+ sensor , leisure area battery
Negative leisure area battery sensor
Negative, leisure area battery*
Negative, leisure area battery*
+ Starter battery
Shunt battery
Shunt consumer
+ sensor , leisure area battery
Mains indicator
12V On
12V Off
Negative leisure area battery sensor
12 V indicator
Pump switch
Lumberg MSFQ/0 10--way
+ Frost protection valve
Connected negative terminal of pump
+Pump
Negative SB for refrigerator
Negative, refrigerator
+ refrigerator
+ SB for refrigerator
+ Awning light
+ Heater
+ Light 1
+ Light 2
+ Spare
+ Light 3
+Step
MNL 3--way socket housing
+WB
--
+SB
Solar-
charge regulator
SB: Starter battery
WB: Leisure area battery
* The negative terminals for leisure area
and starter batteries must be connected
to each other externally.

Related product manuals