EasyManua.ls Logo

Schenker MODULAR 60 - Electric layout scheme (12;24 V DC)

Schenker MODULAR 60
53 pages
Print Icon
To Next Page IconTo Next Page
To Next Page IconTo Next Page
To Previous Page IconTo Previous Page
To Previous Page IconTo Previous Page
Loading...
4 MOUNTING AND INSTALLATION COD.60M12/24.A.2018
EN
THE PRESENT MANUAL BELONGS TO - Schenker Italia - ALL RIGHTS RESERVED
29
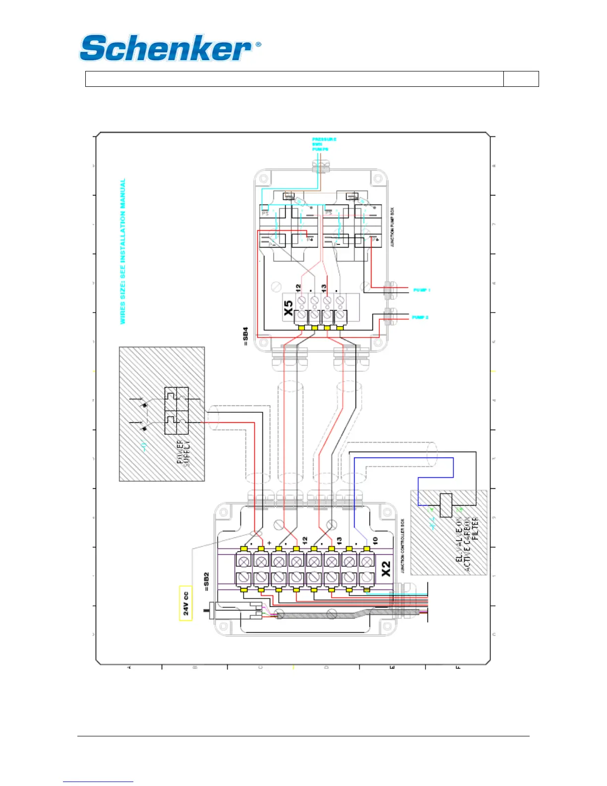
4.5.3 Electric layout scheme (12/24V DC)
ELECTRIC MAIN BOX SCHEME MODULAR 60 12/24V DC
FIG. 4-4

Table of Contents

Related product manuals