EasyManua.ls Logo

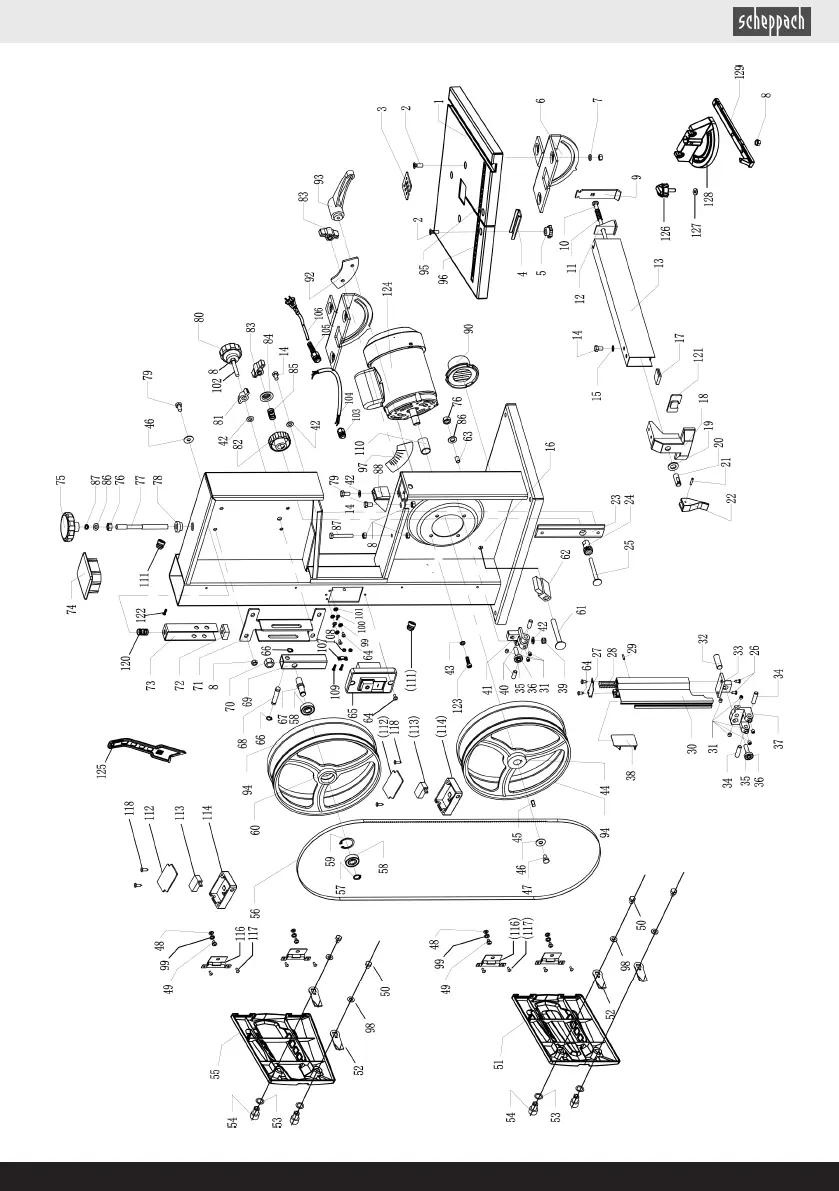
Scheppach HBS25 - Disegno Esploso; Explosionszeichnung; Plano de Explosión; Povećani Crtež

Scheppach HBS25
288 pages
Print Icon
To Next Page IconTo Next Page
To Next Page IconTo Next Page
To Previous Page IconTo Previous Page
To Previous Page IconTo Previous Page
Loading...
| 283www.scheppach.com

Table of Contents

Related product manuals