EasyManua.ls Logo

Schiller AT-2plus - Page 110

Schiller AT-2plus
126 pages
Print Icon
To Next Page IconTo Next Page
To Next Page IconTo Next Page
To Previous Page IconTo Previous Page
To Previous Page IconTo Previous Page
Loading...
5
Schiller AG
Altgasse 68
CH-6340 Baar
Drawn by: Gau
Entw: TM 20
2483CA
07.02.00Size:
S.
Date: Sheet ofA3
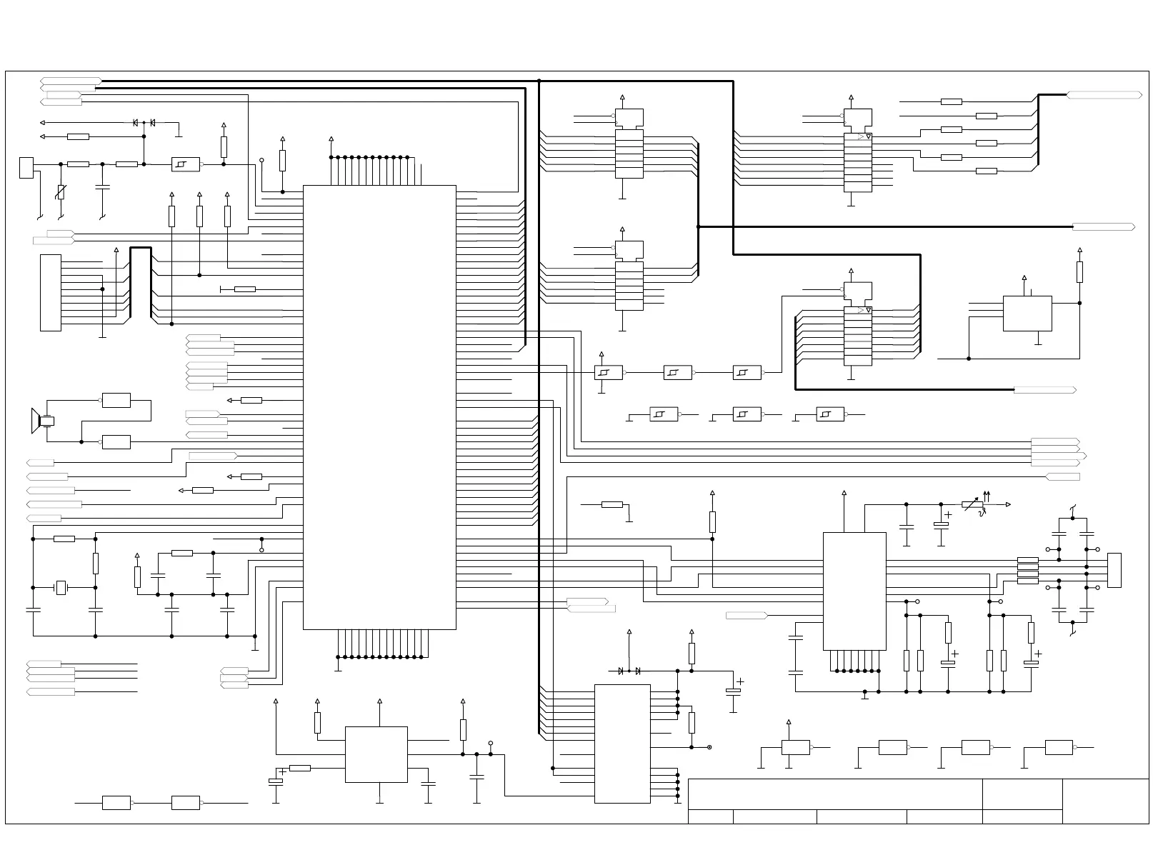
MICROPROCESSOR/CPU MK14-10 (AT-2plus)
BEEPER
2.5mm/s : 75mVDC
25mm/s : 95mVDC
TP72,TP73:
BDM
CONNECTOR
KBS[0..8]
D[0..15]
A[1..19]
KBI[0..7]
TPHT
PROM/
USRAM/
LSRAM/
WRFIFO/
BLOW
STRB2
PMD
ECGC[0..5]
MON/
R/W/
PMARK
BATT
STRB1
D0
D1
D2
D3
KBS[0..8]
KBI[0..7]
A[1..19]
D[0..15]
EKGRES
ECGC0
ECGC1
ECGC2
ECGC3
ECGC4
ECGC5
RTCC/
A1
A2
A3
A4
A5
A6
A7
A8
A9
A10
A11
A12
A13
A14
A15
A16
A17
D0
D1
D2
D3
D4
D5
D6
D7
D8
D9
D10
D11
D12
D13
D14
D15
LSRAM/
WRFIFO/
I2
PH2
I1
PH1
RTCC/
USRAM/
BLOW
KBI0
KBI1
KBI2
KBI3
RES/
IPIPE/
IFETCH/
BKPT/
BEEP
PMD
EXTAL
XTAL
PROM/
DS/
BERR/
BKPT/
FREEZE
RES/
IFETCH/
IPIPE/
BERR/
FREEZE
ECGC[0..5]
R/W/
R/W/
A1
D4
D5
D6
D7
PMARK
I1A
I2A
MON/
MINH/
DS/
RES/
STRB1
D9
VCC
+UBU
VCC
VCC
VCC
VCC
VCC
VCC
VCC
VCC
VCC
VCC VCC
VCC
VCC
VCC
GND
GND
GND
GND
GND
GND
GND
GND
GND
GND GND
GND
CAVE
CAVE
GND
GND
GND
VCC
VCC
VCC
+24V
TP70
TPA
TP71
C212
22P
C213
22P
R294
10M
C214
10N
C215
100N
1
2
3
4
P5
DUBOX-4
TP72TP73
C217
10U/35V
C218
4N7
TP74
R447
1K
R450
1K
R448
1K
R451
1K
R449
1K
R452
1K
R304
1M
R305
100R
R307
10K
R308
10K
R309
10K
B1
SMT2114
CSBOOT/
112
A0
90
A1
20
A2
21
A3
22
A4
23
A5
24
A6
25
A7
26
A8
27
A9
30
A10
31
A11
32
A12
33
A13
35
A14
36
A15
37
A16
38
A17
41
A18
42
PC0-FC0-CS3/
118
PC1-FC1-CS4/
119
PC2-FC2-CS5/
120
PC3-A19-CS6/
121
PC4-A20-CS7/
122
PC5-A21-CS8/
123
PC6-A22-CS9/
124
A23-CS10/
125
BR/-CS0/
113
BG/-CS1/
114
BGACK/-CS2/
115
D0
111
D1
110
D2
109
D3
108
D4
105
D5
104
D6
103
D7
102
D8
100
D9
99
D10
98
D11
97
D12
94
D13
93
D14
92
D15
91
PE0-DSACK0/
89
PE1-DSACK1/
88
PE2-AVEC/
87
PE3-RMC/
86
AS/
82
PE5-DS/
85
PE6-SIZE0
81
PE7-SIZE1
80
VCC
1
VCC
7
VCC
18
VCC
28
VCC
39
VCC
50
VCC
63
VCC
65
VCC
84
VCC
96
PF0
78
PF1
77
PF2
76
PF3
75
VCC
116
VCC
107
VCC
126
PF5
73
PF4
74
PF6
72
PF7
71
R/W/
79
RESET/
68
HALT/
69
BERR/
70
TSC
57
FREEZE
58
IPIPE/
54
IFETCH/
55
BKPT/
56
PQS0-MISO
43
PQS1-MOSI
44
PQS2-SCK
45
PQS3-PCS0-SS/
46
PQS4-PCS1
47
PQS5-PCS2
48
PQS6-PCS3
49
PQS7-TXD
52
RXD
53
TPUCH1
15
TPUCH2
14
TPUCH3
13
TPUCH4
12
TPUCH5
11
TPUCH6
10
TPUCH8
6
TPUCH9
5
T2CLK
128
TPUCH10
4
TPUCH14
130
TPUCH15
129
EXTAL
62
XTAL
60
CLKOUT
66
XFC
64
VDDSYN
61
VSSI
59
GND
127
GND
117
GND
106
GND
101
GND
95
GND
83
GND
67
GND
51
GND
40
GND
34
GND
29
GND
17
GND
8
GND
2
TPUCH0
16
TPUCH7
9
TPUCH12
132
TPUCH13
131
TPUCH11
3
VSTBY
19
U46
68332FP
CS
3
SK
4
DI
5
DO
6
VCC
2
GND
7
ORG
8
U70
93C46
+VL
14
+VS
11
GND
5
GND
6
GND
7
GND
8
GND
18
GND
17
GND
19
GND
20
I10
1
I11
2
PHASE1
3
PHASE2
22
I21
23
I20
24
OSC
4
ENABLE
21
Q21
16
Q22
13
R2
15
R1
10
Q12
12
Q11
9
U49
TCA 3727
R313
5R1
R314
5R1
AD0
3
AD1
4
AD2
6
AD3
7
AD4
23
AD5
25
AD6
26
AD7
27
A/ D
8
CS/
20
RD/
22
WR/
21
PF/
2
VDD
15
VDD
16
VDD
17
VDD
18
VDD
19
IRQ/
9
GND
10
GND
11
GND
12
GND
13
GND
14
TEST
1
U50
V3022
R315
10K
R316
10K
R317
1K
C221
1U/16V
C222
47N
RESIN/
2
SENSE
7
CT
3
REF
1
RES
6
RES/
5
GND
4
VCC
8
U51
7705B
R453
10K
C223
1U/16V
R320
10R PTC
C228
390P
R321
1K8
5 6
1
U73C
74HC04
9 8
1
U73D
74HC04
11 10
1
U73E
74HC04
13 12
1
U73F
74HC04
R322
1K
1 2
147
1
U73A
74HC04
D62
BAR43S
1
2
3
4
5
6
7
8
9
10
P7
WANNE-10
*
R332
10K
TP75
R310
470R
R297
470K
XT2
32.768KHZ
R336
10K
C224
390P
C225
390P
C227
390P
C226
390P
C241
47N
R323
10K
R360
1R
R361
1R
C244
1U/16V
C245
1U/16V
R341
10K
VCC
KBI4
KBI5
KBI6
KBI7
EKGRES
RDLCD/
A19
WRLCD/
RDLCD/
RESLCD/
R289
NB/R1206
R290
NB/R1206
C185
4N7
CONTRAST
R291 3R3
R292 3R3
R293 3R3
R295 3R3
RES/ RESLCD/
R/W/
RDLCD/
WRLCD/
RESLCD/
3 4
1
U15B
NB/74HC14
R386
10K
R387
NB/R0805
R388
NB/R0805
C267
NB/C0805
D68
BAR43S
RV22
NB/RV
VCC
VCC
GND
CAVECAVECAVE CTS
YDIS/
GND
VCC
A18
TXD
RXD
DTR
RTS
RXD
DTR
RTS
TXD
EED
BATT
STRB2
TPL/
TPL/
CTS
WRLCD/
1
2
P11
NB/DUBOX-2
SYSCLK
SYSCLK
SYSCLK
C309
100N
C310
10N
R446
18K
uPOFF
RSSEL
EEDEECS
EECS
QSMTPD
QSMTPC
FRES/
EESK
EESK
15
12
10
7
5
2
1
9
3
4
6
11
13
14
168
R
C 1
1 D
U26
74HC174
15
12
10
7
5
2
1
9
3
4
6
11
13
14
168
R
C 1
1 D
U27
74HC174
D0
D1
D2
D3
D4
D5
RES/
RES/
GND
VCC
VCC
D6
D7
D8
D9
D10
D11
KBS0
KBS1
KBS2
KBS3
KBS4
KBS5
KBS6
KBS7
KBS8
1 2
147
1
U24A
74HC14
5 6
1
U24C
74HC14
9 8
1
U24D
74HC14
CSKBI/
CSKBI/
KONV/
KONV/
1
11
2
3
4
5
6
7
8
9 12
13
14
15
16
17
18
19
2010
E N
1 D
C 1
U68
74VHC574
1
11
2
3
4
5
6
7
8
9 12
13
14
15
16
17
18
19
2010
E N
1 D
C 1
U69
74VHC574
VCC
VCC
GND
GND
CHAD1
CHAD0
CHAD3
TRACK
D0
D1
D2
D3
D4
D5
D6
D7
CLKKBI
D0
D1
D2
D3
D4
D5
D6
D7
RES
CSECG/
CSECG/
CSKBS/
CSKBS/
CSKBS/
RES
MINH/
GND
GND
VCC
3 4
1
U73B
74HC04
KONV/
OVERFL
OVERFL
CSCOUNT/
CSCOUNT/GETRES
R503
10K
VCC
3 4
1
U24B
74HC14
GND
11 10
1
U24E
74HC14
13 12
1
U24F
74HC14
GNDGND
TP113
TP114
TP115TP116
GND GND GND GND
R504
10K
56
1
U44C
74HC04
98
1
U44D
74HC04

Table of Contents

Other manuals for Schiller AT-2plus

Related product manuals