EasyManua.ls Logo

Schiller AT-2plus - Page 114

Schiller AT-2plus
126 pages
Print Icon
To Next Page IconTo Next Page
To Next Page IconTo Next Page
To Previous Page IconTo Previous Page
To Previous Page IconTo Previous Page
Loading...
9
Schiller AG
Altgasse 68
CH-6340 Baar
Drawn by: Gau
Entw: TM 20
2483CA
07.02.00Size:
S.
Date: Sheet ofA3
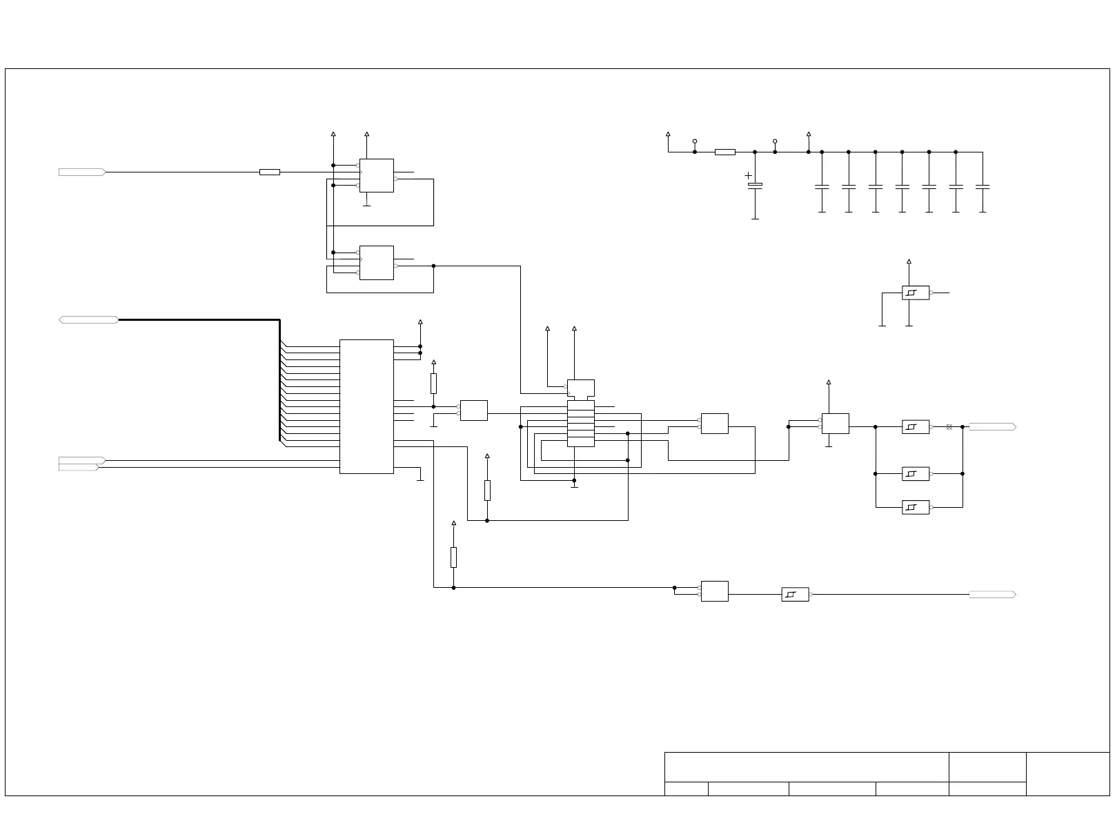
TPH DRIVER MK14-10 (AT-2plus)
D[0..15]
WRFIFO/
FIFOTPC
FIFOTPD
FRES/
D[0..15]
D0
D1
D2
D3
D4
D5
D6
D7
D8
D9
D10
D11
D12
D13
D14
D15
WRFIFO/
FRES/
VCC+5.2V
VCC
VCC VCC
VCC
VCC
VCC
VCC
VCC
GND
GNDGND
GND
GND
GND
GNDGND GND GND
GND
GND
GND
GND
C168
47N
C169
47N
C170
33U/20V
TP62 TP63
R233
1R
D0
2
D1
3
D2
4
D3
5
D4
6
D5
7
D6
8
D7
9
D11
23
D9
21
D12
24
D14
26
D8
20
D10
22
D13
25
D15
27
W/
1
RS/
19
VCC
28
RSIX
13
DIR
15
FF/
11
HF/
12
AEF/
16
SOCP
17
SO
18
EF/
10
GND
14
U39
NB/72105
15
12
10
7
5
2
1
9
3
4
6
11
13
14
168
R
C 1
1 D
U40
NB/74HC174
2
3 1
147
&
U41A
NB/74HC02
C172
47N
C173
47N
C174
47N
C216
47N
11
12 13
&
U41D
NB/74HC02
R333
NB/R0805
R334
NB/R0805
R335
NB/R0805
13 12
1
U15F
NB/74HC14
5 6
1
U15C
NB/74HC14
9 8
1
U15D
NB/74HC14
11 10
1
U15E
NB/74HC14
5
6 4
&
U41B
NB/74HC02
8
9 10
&
U41C
NB/74HC02
1 2
147
1
U15A
NB/74HC14
C242
47N
4
3
2
1
6
5
147
S
1
R
C1
D
U67A
NB/74VHC74
10
11
12
13
8
9
S
1
R
C1
D
U67B
NB/74VHC74
R473
NB/R0805
GND
VCCVCC
SYSCLK

Table of Contents

Other manuals for Schiller AT-2plus

Related product manuals