EasyManua.ls Logo

Schiller AT-2plus - Page 118

Schiller AT-2plus
126 pages
Print Icon
To Next Page IconTo Next Page
To Next Page IconTo Next Page
To Previous Page IconTo Previous Page
To Previous Page IconTo Previous Page
Loading...
13
Schiller AG
Altgasse 68
CH-6340 Baar
Drawn by: Gau
Entw: TM 20
2483CA
07.02.00Size:
S.
Date: Sheet ofA3
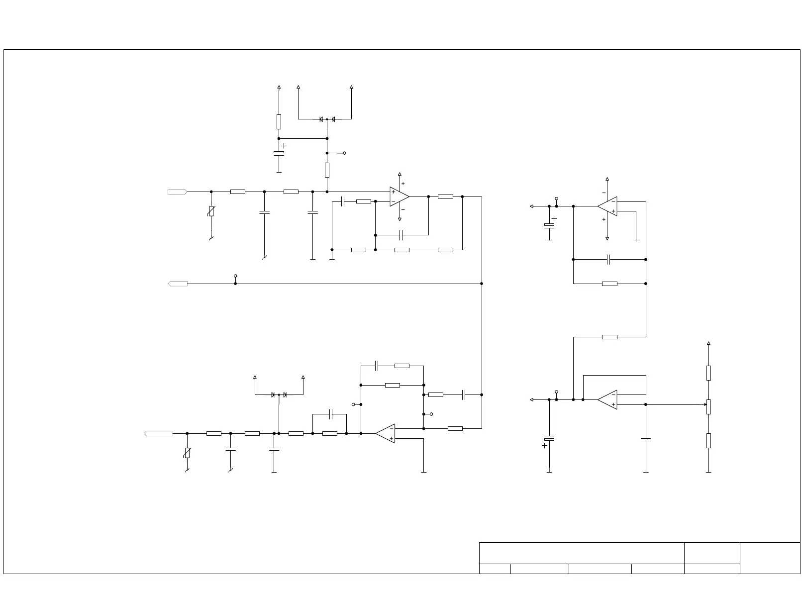
EKG Part C MK14-10 (AT-2plus)
S2
RL(N)
LL
+5VAi
+5VAi-5VAi
-5VDi
-2.5Vi
AGNDi AGNDi
AGNDi
DGNDi DGNDi
DGNDiDGNDiDGNDi
+5VDi
CAVEi
CAVEiCAVEi
CAVEi
+2Vi
-2Vi
+5VAi
R35
30K
R36
30K
R37
39K/0.1%
R38
39K/0.1%
R39
39K/0.1%
C33
100N
5
6
7
U5B
TL062
3
2
1
8 4
U5A
TL062
RV12
82V
5
6
7
U6B
LPC662
3
2
1
84
U6A
LPC662
C34
390P
R283
220K
C35
680P
R41
3K9/0.1%
C36
100N
C37
1U/16V
C38
1U/16V
TP12
TP13
TP14
TP15
C39
680P/COG
D17
BAV99
R42
3M3
C40
1N5
R44
4K7
VR2
VR5K
R45
24K
R46
10K
R47
10K
R48
10K
R49
10K
TP76
C202
1U/X7R
RV13
82V
C41
3N9
R40
1K1
AGNDi
R43
30K
C46
1N
R379
10R
R380
100R
C152
22P
R378
10K
C203
220P
R381
1G
TP109
D16
BAV99
C147
1U/16V
AGNDi
R382
1M
+5VAi
+5VAi
-5VAi

Table of Contents

Other manuals for Schiller AT-2plus

Related product manuals