EasyManua.ls Logo

Schlage S-480 - Installation Template Details; Template Dimensions and Use; Door Handing Identification

Schlage S-480
2 pages
Print Icon
To Previous Page IconTo Previous Page
To Previous Page IconTo Previous Page
Loading...
How to Install
(Door thickness 40-50mm)
1. Please read the installation manual before you install the product.
2. The strike guider is served to install correctly, remove the strike guider
after installation.
3. Please check door thickness and door handing before installation.
This product can be installed with door thickness 40-50mm
Firstly, check the door opens and closes smoothly.
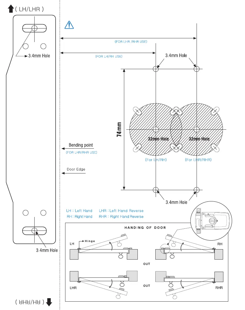
Fold 90° angle on the fold line of the installation template and stick it to the
door and mark for installation.
Drill holes as specified on template.
Where replacing existing mechanical auxiliary lock, use center hole on the
mounting plate to adjust position and install the product.
Fasten the front using screw (M5x30, 2pcs), to fix the mounting plate (as
required check the direction of the mounting plate). Use screw (FH1x 30, 5pcs)
to increase the strength of the mounting plate fixing.
Pull through Front cable and connect to Back connector, and then fix to the
mounting plate by using screw (M5x29, 4pcs).
1.
2.
3.
4.
5.
6.
7.
8.
9.
10.
Fix the strike with screw (FH1x 30, 6pcs) and ensure the deadbolt aligns
correctly with strike.
Insert batteries (check polarity).
Check the door opens and closes properly.
Read the user’s manual to register PIN code.
*For Metal Doors: Please use the T4x19 screws instead of FH1x 30
(Timber Doors).
(Use on indoor side)
Installation Template S-480
Please check measurements
when printing template
83mm
58mm
FH1x 30 (5pcs)
FH1x 30 (3pcs)
Screw

Other manuals for Schlage S-480

Related product manuals